SKF316198轴承详细参数

发布时间:2026-04-14
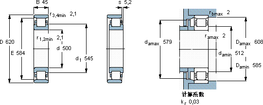
圆柱滚子轴承, 单列, N 设计
主要数据尺寸 基本负荷额定值 疲劳负荷限值 额定速度 体积 型号 适宜的斜挡圈
动态 静态 参照速度 限制速度 型号
d D B C C0 Pu
mm kN kN r/min kg - -
50062045396830551000100029,0316198-

SKF316198圆柱滚子轴承供应商

八零动力专业销售316198圆柱滚子轴承,库存SKF316198大量现货,与SKF合作,咨询热线:022-58519723业务咨询
SKF316198卓越的性能表现,让这款轴承在市场上脱颖而出它的多样化应用,展现了它的无限可能 高品质的轴承,在复杂工况下也能展现出卓越的性能这款轴承的性能卓越,有效提升了设备的整体性能和可靠性它在食品机械中的应用,展现了它的卫生性能 它的长寿命,减少了更换频率 ,八零动力SKF圆柱滚子轴承品种全,价格优,质量有保证!

用户关注最多的SKF轴承型号

SKF22330CCK/W33* SKF23168CCK/W33+AOH3168G* SKF32230T168J2/DB SKF32936T35/DBC260 SKFCR14262 SKFCR14X30X7HMSA10V SKFCR36X50X7HMS5V SKFCR595637 SKFCR9826 SKFHK1312 SKFK50x58x20 SKFNCF28/710V SKFNNU41/670K30M/W33 SKFPCM252820M SKFSY50FM

316198圆柱滚子轴承近似的SKF轴承型号

SKF316198 SKF316197 SKF316200

用户关注最多的轴承狗热门型号

LYC  NJ 18/560 Q FAG  20211-K-TVP-C3 + H211 SKF  609-RSL* STEYR  NU1016 NSK  7240ADF TIMKEN  320RN51 NSK  2220K INA  RCSMF25 SKF  K6x9x10TN NACHI  NJ214 NSK  51422XM NSK  25BGR10H NTN  31326 SKF  292/530EM IKO  NAX2030Z

版权所有©2009-2015 轴承狗zcgou.com ICP备案:津ICP备14004550号-13