SKF316197轴承详细参数

发布时间:2026-04-15
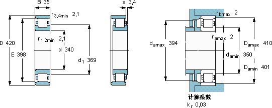
圆柱滚子轴承, 单列, N 设计
主要数据尺寸 基本负荷额定值 疲劳负荷限值 额定速度 体积 型号 适宜的斜挡圈
动态 静态 参照速度 限制速度 型号
d D B C C0 Pu
mm kN kN r/min kg - -
3404203521240033,5150020009,60316197-

SKF316197圆柱滚子轴承供应商

八零动力专业销售316197圆柱滚子轴承,库存SKF316197大量现货,与SKF合作,咨询热线:022-58519723业务咨询
SKF316197质量无可比拟的轴承,在行业内树立了良好的品质标杆设计合理、性能优良的轴承,是机械设备的理想之选不得不说,这款轴承的品质过硬,在行业内堪称典范,它在机床设备中的应用,确保了加工精度 这款轴承的性能卓越,有效提高了设备的运行可靠性它的每一次转动,都是对精准度的极致追求 ,八零动力SKF圆柱滚子轴承品种全,价格优,质量有保证!

用户关注最多的SKF轴承型号

SKF16002/HR22Q2 SKF18590/18520/Q SKF22352CACK/W33 SKF23096CACK/W33 SKF316350DA SKF30324J2 SKF61801-2Z SKF71808CD/HCP4A SKF7221AC SKF7313BEP SKFBDAB307785 SKFIR17x20x20.5 SKFNJ207ECP SKFNU1068MA SKFSAF22536x6.1/2

316197圆柱滚子轴承近似的SKF轴承型号

SKF316197 SKF316189 SKF316198

用户关注最多的轴承狗热门型号

-  7305AC SKF  PCM13514080B SNR  63/32-Z RHP  7202B/DT TIMKEN  K25X29X13H LYC  6812 ZZ TIMKEN  841 /832-B NTN  32230 INA  IR15X18X16,5 BARDEN  7236AC/DT NACHI  7321DB LYC  FCDP 92130470 M/HC/P63 SKF  PWM708070 IKO  NART50VUUR IKO  CR14

版权所有©2009-2015 轴承狗zcgou.com ICP备案:津ICP备14004550号-13