SKF312-Z轴承详细参数

发布时间:2026-04-14
深沟球轴承, 单列,带装球缺口, 单面防尘罩
主要数据尺寸 基本负荷额定值 疲劳负荷限值 额定速度 体积 型号
动态 静态 参照速度 限制速度
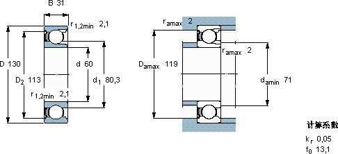
d D B C C0 Pu
mm kN kN r/min kg -
601303191,3783,35950060001,85312-Z

SKF312-Z深沟球轴承供应商

八零动力专业销售312-Z深沟球轴承,库存SKF312-Z大量现货,与SKF合作,咨询热线:022-58519723业务咨询
SKF312-Z轴承的耐用性极佳,为设备的长期稳定运行提供了保障成就非凡转动体验让您的设备一顺到底,旋转不息轴承的精度和稳定性都达到了行业顶尖水平制造工艺先进,使得这款轴承的性能远超普通产品质量无可挑剔的轴承,为设备的高效运作提供了有力支持,八零动力SKF深沟球轴承品种全,价格优,质量有保证!

用户关注最多的SKF轴承型号

SKF30215J2/Q SKF6030-Z SKF7308BECBP* SKFCR12X30X7HMS5RG SKFCR1400580 SKFCR20X35X10HMS5RG SKFCR3800566 SKFCR400384 SKFCR42340 SKFIR25x30x20.5 SKFNKIA5908 SKFNNU41/500K30M/W33 SKFNU1015ML SKFNUP2205ECP SKFSY15/16TF/AH

312-Z深沟球轴承近似的SKF轴承型号

SKF6312-2Z/VA208 SKF62312-2RS1 SKF6312-2Z* SKF312 SKF6312-ZN SKF6312-RS1* SKF6312-2RS1* SKF6312-ZNR* SKF4312ATN9 SKF6312* SKF312-2ZNR SKF312-ZNR

用户关注最多的轴承狗热门型号

FAG  61809-2RSR-Y RIV  NJ426 NSK  6812ZZ NACHI  6817ZNR SKF  CR18652 FAG  BND2240-H-C-T-BF-S LYC  22240 CA/C3W33 NACHI  6920N TIMKEN  33109/33109 SKF  NNC4830CV LYC  3806/279.4-2LS/P5 SKF  CR400161 LYC  FCD 76100300 /HC/C4 SKF  33018/QDFC150 IKO  GBRI284828

版权所有©2009-2015 轴承狗zcgou.com ICP备案:津ICP备14004550号-13