SKF306614轴承详细参数

发布时间:2026-04-14
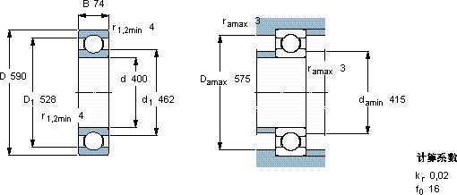
深沟球轴承, 单列, 无密封件
主要数据尺寸 基本负荷额定值 疲劳负荷限值 额定速度 体积 型号
动态 静态 参照速度 限制速度
d D B C C0 Pu
mm kN kN r/min kg -
4005907443671013,42000170070,0306614

SKF306614深沟球轴承供应商

八零动力专业销售306614深沟球轴承,库存SKF306614大量现货,与SKF合作,咨询热线:022-58519723业务咨询
SKF306614它的抗震性能,确保了它在振动环境下的可靠性 轴承的耐用性出色,能够长时间保持良好的工作状态它的润滑技术,让摩擦降至最低 其质量上乘,是众多机械设备不可或缺的优质配件它的精密测量技术,确保了每一件产品的品质 优秀的设计让这款轴承在运行时更加高效节能,八零动力SKF深沟球轴承品种全,价格优,质量有保证!

用户关注最多的SKF轴承型号

SKF22344CCKJA/W33VA405* SKF61909 SKF7022CD/P4A SKF7234BCBM SKF7272BM SKFCR18X30X6HMSA7P2R SKFCR22250 SKFCR28275 SKFFY25TF SKFN08 SKFN2212 SKFNJ2207E+HJ2207E SKFNJ321ECJ SKFSNL505 SKFSYM2.1/2TF/AH

306614深沟球轴承近似的SKF轴承型号

SKF306614 SKF306493AA SKF306674

用户关注最多的轴承狗热门型号

SKF  NU336ECM NTN  7303AC/DB 国产  UCFB208 FAG  BND3030-H-W-Y-AF-S 国产  QJF6/700 SNR  6011-RS TIMKEN  839/832-B TORRINGTON FAFNIR  6215-RS NSK  NN3020TKR STEYR  6004N FAG  SNV170-L + 22316-E1-K + H2316X211 + DHV616X211 TIMKEN  SM1101K NTN  7004C/DT SKF  CR406000 NSK  7919CDT

版权所有©2009-2015 轴承狗zcgou.com ICP备案:津ICP备14004550号-13