SKF294/630EM轴承详细参数

发布时间:2026-04-15
球面滚子推力轴承, 球面滚子推力轴承
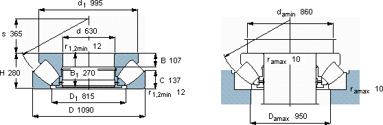
主要数据尺寸 尺寸 [英寸] 疲劳负荷限值 最小负荷系数 额定速度 体积 型号
动态 静态 参照速度 限制速度
d D H C C0 Pu
mm kN kN - r/min kg -
6301090280144006200041503702605001040294/630 EM

SKF294/630EM球面滚子推力轴承供应商

八零动力专业销售294/630EM球面滚子推力轴承,库存SKF294/630EM大量现货,与SKF合作,咨询热线:022-58519723业务咨询
SKF294/630EM它的润滑技术,减少了摩擦和磨损 先进的制造工艺,让这款轴承的性能更加稳定可靠它的抗震性能,确保了它在振动环境下的可靠性 高品质的轴承,在复杂工况下也能展现出卓越的性能铸就卓越品质,它的加工设备,代表了世界领先水平 ,八零动力SKF球面滚子推力轴承品种全,价格优,质量有保证!

用户关注最多的SKF轴承型号

SKF51108V/HR22Q2 SKF6221-RS1* SKF71817ACD/P4 SKF7238AC SKFBT4B328887G/HA1VA901 SKFBT4B334130G/HA1VA903 SKFC2234K+AH3134G* SKFC7008DB/P7 SKFCR15270 SKFCR40X50X8HMSA10V SKFIR45x52x40 SKFN1012KTN/SP SKFSNL30/500F SKFSYM2.11/16TF/AH SKFSYR1.1/2N

294/630EM球面滚子推力轴承近似的SKF轴承型号

SKF29492EM SKF29436E* SKF29440E* SKF29438E* SKF29415E* SKF29480EM SKF29448E* SKF294/800EF SKF29444E* SKF29460E SKF294/600EM SKF294/670EM

用户关注最多的轴承狗热门型号

INA  LR604-2RSR SKF  BSA207CG TORRINGTON&FAFNIR  7012C NTN  6409 KOYO  30317DJR NSK  NJ248M SKF  NNCF5004CV SKF  7006AC/DT KOYO  24126RH RHP  7203C/DF SKF  NKS43 SKF  SYE1.1/2 SKF  HA207 NSK  7211BYDT LYC  NU 1048 M/C7

版权所有©2009-2015 轴承狗zcgou.com ICP备案:津ICP备14004550号-13