SKF23948CC/W33轴承详细参数

发布时间:2026-04-15
球面滚子轴承, 圆柱和圆锥孔, 圆柱型内孔, 无密封件
主要数据尺寸 基本负荷额定值 疲劳负荷限值 额定速度 体积 型号
动态 静态 参照速度 限制速度
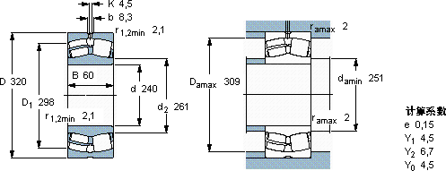
d D B C C0 Pu
mm kN kN r/min kg -
240320605641160981700200013,523948 CC/W33

SKF23948CC/W33球面滚子轴承供应商

八零动力专业销售23948CC/W33球面滚子轴承,库存SKF23948CC/W33大量现货,与SKF合作,咨询热线:022-58519723业务咨询
SKF23948CC/W33这轴承的质量过硬,经得起时间和高强度工作的考验它的圆度误差几乎可以忽略不计 轴承的耐用性强,减少了设备的停机维护时间这轴承的稳定性极佳,即使在恶劣环境下也能正常工作它的抗压强度,让它承载能力惊人 它的可回收性,体现了环保理念 ,八零动力SKF球面滚子轴承品种全,价格优,质量有保证!

用户关注最多的SKF轴承型号

SKF29496 SKF3205ATN9 SKF53310U SKF61807-RZ SKF62314-2RS1 SKF626-RSH* SKF7006CE/P4A SKFC3976M* SKFCR18737 SKFCR38X52X7HMS5RG SKFHK2520 SKFNKI10/16 SKFOKCX100 SKFSYE2.15/16NH SKFSYKC20NTH

23948CC/W33球面滚子轴承近似的SKF轴承型号

SKF23948CC/W33 SKF23948CCK/W33 SKF23948CCK/W33+OH3948H SKF23948CC/W33 SKF239/500CA/W33

用户关注最多的轴承狗热门型号

KOYO  462/453X NTN  NJ209 SKF  7210B/DB KOYO  47487R/20 KOYO  29496 TORRINGTON  AS1226 KOYO  47T605035 NSK  7032A5TYNSULP4 NSK  7208BDF NTN  NJ226E+HJ226E INA  WS89434 SKF  PWTR2052.2RS NSK  NJ2326M STEYR  NJ415 TORRINGTON  24144CCK30/W33

版权所有©2009-2015 轴承狗zcgou.com ICP备案:津ICP备14004550号-13