SKF2307KM+H2307轴承详细参数

发布时间:2026-04-14
自调心球轴承, 带紧定套, 无密封件
主要数据尺寸 基本负荷额定值 疲劳负荷限值 额定速度 体积 型号
动态 静态 参照速度 限制速度 轴承 + 紧定套
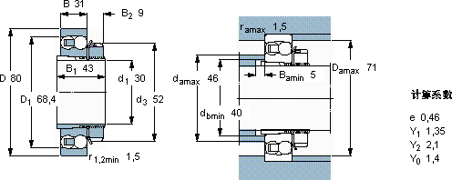
d1 D B C C0 Pu
mm kN kN r/min kg -
30803139,711,20,5916000120000,842307 KM+ H 2307

SKF2307KM+H2307自调心球轴承供应商

八零动力专业销售2307KM+H2307自调心球轴承,库存SKF2307KM+H2307大量现货,与SKF合作,咨询热线:022-58519723业务咨询
SKF2307KM+H2307卓越的设计理念,赋予了这款轴承超凡的性能它的沟槽设计,完美匹配滚动体的运动轨迹 它的润滑技术,减少了润滑剂的使用 轴承的选材精良,确保了其具有良好的耐磨性和抗腐蚀性设计独特、性能优越的轴承,满足了不同用户的需求有效增强了机械设备的竞争力,八零动力SKF自调心球轴承品种全,价格优,质量有保证!

用户关注最多的SKF轴承型号

SKF2305E-2RS1TN9 SKF61976MA SKF6300-Z* SKF63002-2RSH1 SKF6308-Z* SKF71816ACD/P4 SKF7306BECBP SKFCR11086 SKFCR90259 SKFCR960x1040x23HDS1R SKFGEZ112ES SKFIR10x13x12.5 SKFNNU4060M/W33 SKFP80R-1.3/8TF SKFWS81136

2307KM+H2307自调心球轴承近似的SKF轴承型号

SKF2307EKTN9+H2307 SKF2307EM SKF2307EKTN9 SKF2307KM+H2307 SKF2307ETN9 SKF2307E-2RS1TN9 SKF2307KM SKF2307K+H2307 SKF2307EKTN9

用户关注最多的轴承狗热门型号

SKF  CR32X42X7HMSA10V SKF  PCM556030E NACHI  7202DF SNR  6203-RS SNR  7212B/DB INA  GE360-AW GMN  7208AC/DT SKF  CR80x100x10CRW1R 国产  6313-2Z/Z2 SNR  6016-RS MRC  NU222 FAG  BND2240-H-W-T-BF-S RIV  NU1028 GMN  7017AC STEYR  NJ2212E

版权所有©2009-2015 轴承狗zcgou.com ICP备案:津ICP备14004550号-13