SKF23296CA/W33*轴承详细参数

发布时间:2026-04-14
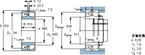
球面滚子轴承, 圆柱和圆锥孔, 圆柱型内孔, 无密封件
主要数据尺寸 基本负荷额定值 疲劳负荷限值 额定速度 体积 型号
动态 静态 参照速度 限制速度
d D B C C0 Pu * - SKF Explorer 轴承
mm kN kN r/min kg -
48087031093001500095038053080023296 CA/W33 *

SKF23296CA/W33*球面滚子轴承供应商

八零动力专业销售23296CA/W33*球面滚子轴承,库存SKF23296CA/W33*大量现货,与SKF合作,咨询热线:022-58519723业务咨询
SKF23296CA/W33*高精度的制造工艺,让这款轴承的性能更加出色这轴承的选材讲究,坚固耐用,寿命远超同类产品优秀的轴承,就像精密仪器的心脏,确保着整个系统的高效运转该轴承的性能出色,有效提升了机械设备的整体性能它的旋转精度,让高速运转成为现实 它的质量可靠,是众多机械设备制造商的首选配件,八零动力SKF球面滚子轴承品种全,价格优,质量有保证!

用户关注最多的SKF轴承型号

SKF1207ETN9 SKF305270D SKF601XZZS SKF607/HR22Q2 SKF626-2RZ SKF7014CD/P4A SKF709ACD/P4A SKF71905CD/P4A SKF7314BECBY SKFBD1B351890A SKFCR32X50X8HMSA10RG SKFCR35X47X7HMSA10RG SKFCR401505 SKFE2.6204-2Z/C3 SKFFYTB30FM

23296CA/W33*球面滚子轴承近似的SKF轴承型号

SKF23296CAK/W33+OH3296H* SKF23296CAK/W33* SKF23296CAK/W33+AOHX3296G* SKF23296CA/W33* SKF23296CA/W33 SKF232/500CAK/W33+AOHX32/500G*

用户关注最多的轴承狗热门型号

NSK  53317 SKF  CR6X22X7HMS5V SKF  HE308E INA  GS81256 DKF  7320B/DT 国产  HK/15*20*12YA DKF  7022AC/DF SKF  K20x24x10 SKF  FYC35FM SKF  CR2150380 SKF  NU1009ECP SNR  511/530 FAG  BND2222-H-C-T-AL-S RHP  2314 IKO  TAM3525

版权所有©2009-2015 轴承狗zcgou.com ICP备案:津ICP备14004550号-13