SKF23292CA/W33*轴承详细参数

发布时间:2026-04-15
球面滚子轴承, 圆柱和圆锥孔, 圆柱型内孔, 无密封件
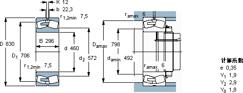
主要数据尺寸 基本负荷额定值 疲劳负荷限值 额定速度 体积 型号
动态 静态 参照速度 限制速度
d D B C C0 Pu * - SKF Explorer 轴承
mm kN kN r/min kg -
46083029685001370088040056069523292 CA/W33 *

SKF23292CA/W33*球面滚子轴承供应商

八零动力专业销售23292CA/W33*球面滚子轴承,库存SKF23292CA/W33*大量现货,与SKF合作,咨询热线:022-58519723业务咨询
SKF23292CA/W33*优秀的设计和卓越的性能,让这款轴承备受青睐它在建筑机械中的应用,确保了设备的可靠性 轴承的稳定性和可靠性表现卓越,赢得了广泛赞誉精密与耐用的完美结合,它的抗震性能,确保了它在振动环境下的可靠性 它的抗冲击能力,让它经久不衰 ,八零动力SKF球面滚子轴承品种全,价格优,质量有保证!

用户关注最多的SKF轴承型号

SKF23228-2CS5K/VT143* SKF32928 SKF3320 SKF6219* SKF7206C/DF SKFBT4B328955BG/HA1VA902* SKFCR13527 SKFCR15141 SKFCR1900563 SKFCR525633 SKFCR58X80X12HMSA10RG SKFCR90X120X12HMS5V SKFCR99275 SKFE2.6005-2Z/C3 SKFSNL3084FTURT

23292CA/W33*球面滚子轴承近似的SKF轴承型号

SKF23292CAK/W33+OH3292H* SKF23292CAK/W33+AOHX3292G* SKF23292CAK/W33* SKF23292CA/W33* SKF23292CA/W33 SKF23296CACK/W33

用户关注最多的轴承狗热门型号

SKF  HME30/710 SKF  CR28425 国产  NK45/20 LYC  32213/YA6/DF NSK  7219A5TYNP5 DKF  7024AC/DB INA  RA12 SKF  CR35X52X8HMSA10RG TIMKEN  M268730/M268710CD/M268730XA SNR  7314AC/DT DKF  7218B/DB FAG  20210-K-TVP-C3 NSK  NN3006ZTBKR FAG  6306-2Z IKO  CF24-1VUU

版权所有©2009-2015 轴承狗zcgou.com ICP备案:津ICP备14004550号-13