SKF23268CA/W33*轴承详细参数

发布时间:2026-05-30
球面滚子轴承, 圆柱和圆锥孔, 圆柱型内孔, 无密封件
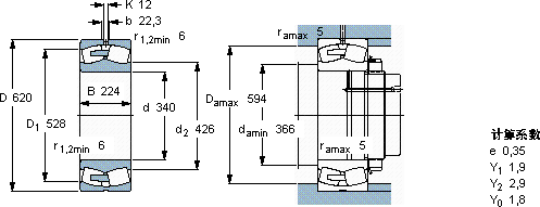
主要数据尺寸 基本负荷额定值 疲劳负荷限值 额定速度 体积 型号
动态 静态 参照速度 限制速度
d D B C C0 Pu * - SKF Explorer 轴承
mm kN kN r/min kg -
3406202245100780055056080029523268 CA/W33 *

SKF23268CA/W33*球面滚子轴承供应商

八零动力专业销售23268CA/W33*球面滚子轴承,库存SKF23268CA/W33*大量现货,与SKF合作,咨询热线:022-58519723业务咨询
SKF23268CA/W33*它的耐高温性能,让它在极端环境下依然稳定运行 引领转动新潮流,轴承的选材精良,确保了其具有良好的耐磨性和抗腐蚀性它的材质选择,体现了对耐用性的极致追求 先进的制造工艺,让这款轴承的性能更加稳定可靠高精度的制造工艺,让这款轴承的性能更加出色,八零动力SKF球面滚子轴承品种全,价格优,质量有保证!

用户关注最多的SKF轴承型号

SKF29344 SKFC3034K+AH3034* SKFC3988KM* SKFCR10157 SKFCR12382 SKFCR530661 SKFCR48X58X4HM4R SKFCR48X70X9CRSA1R SKFIR12x15x16.5 SKFMB56 SKFOKCX380 SKFSDAF23176 SKFSYJ2.1/2TF SKFSYR3.H-18 SKFWS81292

23268CA/W33*球面滚子轴承近似的SKF轴承型号

SKF23268CA/W33* SKF23268CAK/W33* SKF23268CAK/W33+AOH3268G* SKF23268CAK/W33+OH3268H* SKF23268CA/W33 SKF232/710ECA/W33

用户关注最多的轴承狗热门型号

TORRINGTON&FAFNIR  7324B FAG  SNV140-L + 20216-K-TVP-C3 + H216X211 + TSV516X211 STEYR  NU205E DKF  7028AC INA  IR25X30X30 KOYO  NN3084 NTN  23288B SKF  HMV190E TIMKEN  EE221026/221576CD SKF  CR70080 FLT  NJ2226 FAG  BND2240-H-W-T-AL-S NSK  CM-UCP208-109D1 NSK  UCFL208D1 NTN  K50×58×25

版权所有©2009-2015 轴承狗zcgou.com ICP备案:津ICP备14004550号-13