SKF23268CAK/W33*轴承详细参数

发布时间:2026-04-14
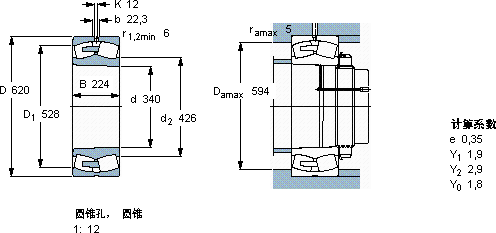
球面滚子轴承, 圆柱和圆锥孔, 圆锥型内孔, 无密封件
主要数据尺寸 基本负荷额定值 疲劳负荷限值 额定速度 体积 型号
动态 静态 参照速度 限制速度
d D B C C0 Pu * - SKF Explorer 轴承
mm kN kN r/min kg -
3406202245100780055056080028523268 CAK/W33 *

SKF23268CAK/W33*球面滚子轴承供应商

八零动力专业销售23268CAK/W33*球面滚子轴承,库存SKF23268CAK/W33*大量现货,与SKF合作,咨询热线:022-58519723业务咨询
SKF23268CAK/W33*轴承的耐用性极佳,为设备的长期稳定运行提供了保障先进的制造技术,让这款轴承的质量达到了行业领先水平设计独特、性能优越的轴承,满足了不同用户的需求精准承载这轴承的设计精妙,充分考虑了各种实际应用需求它的故障率极低,确保了设备的稳定运行 ,八零动力SKF球面滚子轴承品种全,价格优,质量有保证!

用户关注最多的SKF轴承型号

SKF2217 SKF23072CACK/W33+H3072 SKF31319J2 SKF30203 SKF319008A/HB2 SKF4312ATN9 SKF6005-2RSLTN9/HC5C3WT SKF811/850M SKFBC2B326137/HB2VJ202 SKFCR35X58X10HMSA10RG SKFCR55X85X10HMSA10RG SKFFBSA205/DB SKFHMVC72E SKFNNC4930CV SKFW61802-2Z

23268CAK/W33*球面滚子轴承近似的SKF轴承型号

SKF23268CA/W33* SKF23268CAK/W33+OH3268H* SKF23268CAK/W33* SKF23268CAK/W33+AOH3268G* SKF23268CAC/W33 SKF23268CAK/W33+AOH3268G*

用户关注最多的轴承狗热门型号

KOYO  22260R DKF  7334AC/DB SKF  CRMVR1-40 SKF  TVN211A SNR  62/22-2RS FAG  BND3132-Z-Y-BF-S 国产  3312A-RSTN1 NTN  NJ2214 RHP  6307-2RS LYC  133.30.2130.03 NTN  61915-2RZ FAG  SNV180-L + 22220-E1-K + H320X308 + TCV520X308 TORRINGTON&FAFNIR  61907 SKF  23144CCK/33+H3144 IKO  LRXD65

版权所有©2009-2015 轴承狗zcgou.com ICP备案:津ICP备14004550号-13