SKF23240CCK/W33+H2340*轴承详细参数

发布时间:2026-04-14
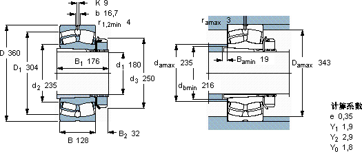
球面滚子轴承, 带紧定套的
主要数据尺寸 基本负荷额定值 疲劳负荷限值 额定速度 体积 型号
动态 静态 参照速度 限制速度 轴承 + 紧定套
d1 D B C C0 Pu
* - SKF Explorer 轴承
mm kN kN r/min kg -
180360128186027002281200170070,023240 CCK/W33 + H 2340 *

SKF23240CCK/W33+H2340*球面滚子轴承供应商

八零动力专业销售23240CCK/W33+H2340*球面滚子轴承,库存SKF23240CCK/W33+H2340*大量现货,与SKF合作,咨询热线:022-58519723业务咨询
SKF23240CCK/W33+H2340*它的可靠性,赢得了无数工程师的信任 它的耐磨性能,让它在恶劣环境下依然稳定运行 优秀的设计理念和精湛的制造工艺,成就了这款杰出的轴承这轴承的制造工艺精湛,展现出了极高的工业水准它的高可靠性,减少了设备停机时间 它的精密测量技术,确保了每一件产品的品质 ,八零动力SKF球面滚子轴承品种全,价格优,质量有保证!

用户关注最多的SKF轴承型号

SKF15101/15245 SKF21319EK* SKF2x7209BECBJ SKF431884A SKF53224 SKFC6913V* SKFCR18546 SKFCR30X47X7HMSA10V SKFCR42X72X8HMS5RG SKFFYR3.15/16H-18 SKFK14x18x10 SKFNU1017 SKFNU2264ECMA SKFQJ214N2PHAS* SKFRN-2.5x15.8BF/G2

23240CCK/W33+H2340*球面滚子轴承近似的SKF轴承型号

SKF23240CCK/W33+H2340* SKF23240CCK/W33* SKF23240CCK/W33+AH3240* SKF23240-2CS5/VT143* SKF23240CC/W33* SKF23240-2CS5K/VT143* SKF23240-2CS2/VT143* SKF23240CCK/W33+AH3240* SKF23240CC/W33

用户关注最多的轴承狗热门型号

MAC  NJ305 NSK  NJ315EM SKF  MB6A SKF  NNF5006ADB-2LSV SKF  2308EM FAG  SNV120-L + 20311-K-TVP-C3 + H311 + TSV611 NTN  32215 NSK  7222A5TY NTN  6309-RS TIMKEN  78225/78549D+X2S-78225 ZKL  NU206 TORRINGTON FAFNIR  6064 SKF  54420M SKF  PCM353920E KOYO  1313K+H313

版权所有©2009-2015 轴承狗zcgou.com ICP备案:津ICP备14004550号-13