SKF23228-2CS5/VT143*轴承详细参数

发布时间:2026-04-29
球面滚子轴承, 圆柱和圆锥孔, 圆柱型内孔, 两面密封件
主要数据尺寸 基本负荷额定值 疲劳负荷限值 额定速度 体积 型号
动态 静态 参照速度 限制速度
d D B C C0 Pu * - SKF Explorer 轴承
mm kN kN r/min kg -
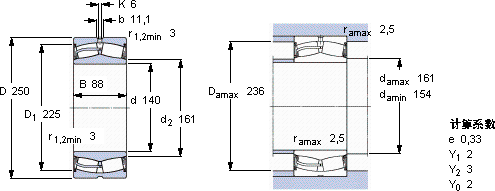
140250889151250120-48019,023228-2CS5/VT143 *

SKF23228-2CS5/VT143*球面滚子轴承供应商

八零动力专业销售23228-2CS5/VT143*球面滚子轴承,库存SKF23228-2CS5/VT143*大量现货,与SKF合作,咨询热线:022-58519723业务咨询
SKF23228-2CS5/VT143*转动的艺术它的可靠性,赢得了无数用户的信赖 卓越的性能表现,让这款轴承在市场上脱颖而出其质量上乘,是众多机械设备不可或缺的优质配件它的质量过硬,为机械设备的高效、安全、稳定运行 它的疲劳强度,确保了长期使用的可靠性 ,八零动力SKF球面滚子轴承品种全,价格优,质量有保证!

用户关注最多的SKF轴承型号

SKF22232CCK/W33+H3132 SKF22336CCK/W33* SKF22340CCJA/W33VA405 SKF234432B SKF234713B SKF249/710CA/W33 SKF6218-2Z* SKFCR1100257 SKFCR33665 SKFHK1520.2RS SKFNJ1896MA SKFNU313ECP SKFNUP228ECJ* SKFPCMW203601.5E SKFSTO12

23228-2CS5/VT143*球面滚子轴承近似的SKF轴承型号

SKF23228CCK/W33* SKF23228-2CS5/VT143* SKF23228CC/W33* SKF23228-2CS5K/VT143* SKF23228CCK/W33+H2328* SKF23228CCK/W33+AHX3228G* SKF23228-2CS5K/VT143* SKF23228CCK/W33

用户关注最多的轴承狗热门型号

FAG  22218-E1-K NSK  RLM374730-1 RIV  NU421 TIMKEN  6381 /6320-B FAG  BND3234-H-W-Y-BL-S FAG  SNV062-L + 20206-K-TVP-C3 + H206 + FSV506 LYC  8787/1716K1 FAG  SNV140-L + 2313-K-TVH-C3 + H2313X206 + FSV613 TORRINGTON  24034CCK30/W33 KOYO  6015N NACHI  NJ2206 TIMKEN  HM516447/HM516410A NMB  RF-1450ZZ FAG  4307-B-TVH NSK  7008A

版权所有©2009-2015 轴承狗zcgou.com ICP备案:津ICP备14004550号-13