SKF23176CA/W33*轴承详细参数

发布时间:2026-04-15
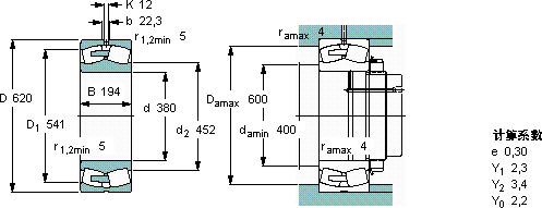
球面滚子轴承, 圆柱和圆锥孔, 圆柱型内孔, 无密封件
主要数据尺寸 基本负荷额定值 疲劳负荷限值 额定速度 体积 型号
动态 静态 参照速度 限制速度
d D B C C0 Pu * - SKF Explorer 轴承
mm kN kN r/min kg -
38062019444007100500560100023023176 CA/W33 *

SKF23176CA/W33*球面滚子轴承供应商

八零动力专业销售23176CA/W33*球面滚子轴承,库存SKF23176CA/W33*大量现货,与SKF合作,咨询热线:022-58519723业务咨询
SKF23176CA/W33*精准运转高精度的制造工艺,让这款轴承的性能更加出色它的精密装配,确保了整体性能的卓越 其设计和制造工艺都达到了国际先进水平,是一款优质轴承让工作更高效,这款轴承的性能卓越,有效提高了设备的运行可靠性,八零动力SKF球面滚子轴承品种全,价格优,质量有保证!

用户关注最多的SKF轴承型号

SKF23944-2CS/VT143 SKF32210J2/Q SKF53415M SKF6205/VA201 SKF71917CE/P4A SKFBNTB322758/HB1 SKFCR10X26X7HMS5V SKFCR11061 SKFK15x21x15 SKFL476549/510 SKFN560 SKFNKI25/30 SKFNKI95/26 SKFNU2203ECP SKFNUP314ECP*

23176CA/W33*球面滚子轴承近似的SKF轴承型号

SKF23176CA/W33* SKF23176CAK/W33+OH3176H* SKF23176CAK/W33* SKF23176CAK/W33+AOH3176G* SKF23176CA/W33 SKF2317/710CA/W33

用户关注最多的轴承狗热门型号

国产  32228 SKF  71944CD/P4A GMN  7009C/DF TIMKEN  SAF22240 FAG  HS7009-C-T-P4S SKF  NK16/16 LYC  81716 ZW SKF  CRMVR1-15 国产  NUP210 SKF  NNCF5030CV NSK  6802VV NSK  7910CTY NTN  NUP1048 SNR  7230AC/DF STEYR  6017N

版权所有©2009-2015 轴承狗zcgou.com ICP备案:津ICP备14004550号-13