SKF23152-2CS5/VT143*轴承详细参数

发布时间:2026-05-30
球面滚子轴承, 圆柱和圆锥孔, 圆柱型内孔, 两面密封件
主要数据尺寸 基本负荷额定值 疲劳负荷限值 额定速度 体积 型号
动态 静态 参照速度 限制速度
d D B C C0 Pu * - SKF Explorer 轴承
mm kN kN r/min kg -
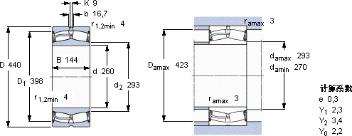
26044014425503900290-32090,523152-2CS5/VT143 *

SKF23152-2CS5/VT143*球面滚子轴承供应商

八零动力专业销售23152-2CS5/VT143*球面滚子轴承,库存SKF23152-2CS5/VT143*大量现货,与SKF合作,咨询热线:022-58519723业务咨询
SKF23152-2CS5/VT143*零误差起步优秀的设计理念和精湛的制造工艺,成就了这款优秀的轴承它的长寿命,减少了更换频率 质量无可挑剔的轴承,为设备的高效运作提供了有力支持设计合理、性能优良的它,是机械设备实现高效运行的重要保障它在化工设备中的应用,展现了它的耐腐蚀性 ,八零动力SKF球面滚子轴承品种全,价格优,质量有保证!

用户关注最多的SKF轴承型号

SKF24056CC/W33* SKF23964CC/W33* SKF6206-RS1* SKF71806CD/HCP4A SKF7309BEGBY SKFCR100X120X12HMSA10RG SKFCR30X62X10HMSA10RG SKFCR60X72X8HMSA10V SKFIR95x110x63 SKFKR19 SKFNN3020TN9/SP SKFPFD20TR SKFS71911CD/HCP4A SKFSY1.TF SKFYAR209-111-2F/AH

23152-2CS5/VT143*球面滚子轴承近似的SKF轴承型号

SKF23152CCK/W33* SKF23152CC/W33* SKF23152-2CS5/VT143* SKF23152-2CS5K/VT143* SKF23152CCK/W33+AOH3152G* SKF23152CCK/W33+OH3152H* SKF23152-2CS5K/VT143* SKF23152CACK/33+H3152

用户关注最多的轴承狗热门型号

国产  30322 FAG  ZRB15X16-QP NSK  24060CAME4 STEYR  NU211E NACHI  5205ANR FAG  SNV240-L + 22322-E1-K + H2322X315 + DH522 SKF  NUP326ECP KOYO  NU2230R 国产  6210-ZN LYC  381072/C2 INA  SL024872 SKF  BEAB351866 NTN  NJ238E KOYO  7321C/DT IKO  LWHD12

版权所有©2009-2015 轴承狗zcgou.com ICP备案:津ICP备14004550号-13