SKF23136CCK/W33+H3136*轴承详细参数

发布时间:2026-05-30
球面滚子轴承, 带紧定套的
主要数据尺寸 基本负荷额定值 疲劳负荷限值 额定速度 体积 型号
动态 静态 参照速度 限制速度 轴承 + 紧定套
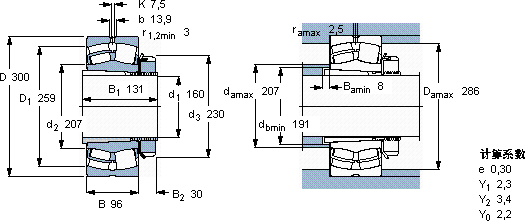
d1 D B C C0 Pu
* - SKF Explorer 轴承
mm kN kN r/min kg -
16030096120017601601700220037,023136 CCK/W33 + H 3136 *

SKF23136CCK/W33+H3136*球面滚子轴承供应商

八零动力专业销售23136CCK/W33+H3136*球面滚子轴承,库存SKF23136CCK/W33+H3136*大量现货,与SKF合作,咨询热线:022-58519723业务咨询
SKF23136CCK/W33+H3136*高品质的轴承,在各种复杂环境下都能稳定发挥作用让您的机械如虎添翼,减少摩擦降低能耗它的热处理工艺,增强了它的硬度和韧性 它在家用电器中的应用,让生活更加便捷 它在农业机械中的应用,展现了它的耐用性 ,八零动力SKF球面滚子轴承品种全,价格优,质量有保证!

用户关注最多的SKF轴承型号

SKF231/600CA/W33 SKF316201 SKFCR14861 SKFCR20747 SKFFY3/4WF SKFN1012KTNHA/SP SKFNCF3040CV SKFNUP208ECP SKFP72R-30WF SKFQJ244 SKFRLS10-2RS1 SKFSNL207 SKFSYE2.7/16-18 SKFSYF30TF SKFW6205-2Z

23136CCK/W33+H3136*球面滚子轴承近似的SKF轴承型号

SKF23136CC/W33* SKF23136CCK/W33* SKF23136CCK/W33+H3136* SKF23136CCK/W33+AH3136G* SKF23136-2CS5K/VT143* SKF23136-2CS5/VT143* SKF23136CCK/W33+AH3136G* SKF23136CC/W33

用户关注最多的轴承狗热门型号

KOYO  22210CC/W33 RIV  NF2322 SKF  SAF22509x1.3/8 RIV  NF2315 国产  NKIA5912 FAG  230/500-B-K-MB + AHX30/500 INA  209-KRR FAG  BND2240-Z-Y-AF-S RHP  6009-2RS NMB  R-3 INA  KSR16-L0-12-10-15-22 SKF  52204 NTN  23132CCK/33+H3132 国产  35992 KOYO  54208U

版权所有©2009-2015 轴承狗zcgou.com ICP备案:津ICP备14004550号-13