SKF23134CCK/W33+H3134*轴承详细参数

发布时间:2026-04-14
球面滚子轴承, 带紧定套的
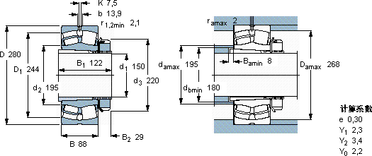
主要数据尺寸 基本负荷额定值 疲劳负荷限值 额定速度 体积 型号
动态 静态 参照速度 限制速度 轴承 + 紧定套
d1 D B C C0 Pu
* - SKF Explorer 轴承
mm kN kN r/min kg -
15028088104015001371800240029,523134 CCK/W33 + H 3134 *

SKF23134CCK/W33+H3134*球面滚子轴承供应商

八零动力专业销售23134CCK/W33+H3134*球面滚子轴承,库存SKF23134CCK/W33+H3134*大量现货,与SKF合作,咨询热线:022-58519723业务咨询
SKF23134CCK/W33+H3134*这轴承的精度控制令人佩服,为设备的精准运行提供了保障它的低噪音设计,减少了对环境的噪音污染 设计合理、性能优良的它,是机械设备实现高效运行的重要保障轴承的耐用性超乎想象,有效降低了设备的维护成本它的可回收性,体现了环保理念 为您的机械提供持久动力,,八零动力SKF球面滚子轴承品种全,价格优,质量有保证!

用户关注最多的SKF轴承型号

SKF30219J2 SKF30311 SKF51407 SKF6005/VA201 SKFCR1025244 SKFCR17558 SKFCR30X42X8HMS5RG SKFFYR2.3/4H-3 SKFLM772748/710/HAI SKFNNU4924BK/SPW33 SKFOKCX580 SKFPCM8590100M SKFSNL30/500L SKFUC218 SKFW618/7

23134CCK/W33+H3134*球面滚子轴承近似的SKF轴承型号

SKF23134CC/W33* SKF23134-2CS5/VT143* SKF23134CCK/W33+H3134* SKF23134CCK/W33+AH3134G* SKF23134CCK/W33* SKF23134-2CS5K/VT143* SKF23134CCK/W33+AH3134G* SKF23134CC/W33

用户关注最多的轴承狗热门型号

SKF  YAR207-104-2F/AH FYH  UKFLU309+H2309 国产  87216C ZKL  NU412 GMN  7216AC/DB FAG  SNV120-L + 2213-K-TVH-C3 + H313 + TCV513 TIMKEN  67790/67720CD NTN  24148CC/W33 NTN  NJ1056 FAG  SNV240-L + 21322-E1-K-TVPB + H322X314 + DHV522X314 FAG  SNV200-L + 1222-K-M-C3 + H222X315 + TCV522 GMN  7312AC/DB RHP  7236B/DB INA  GIHNRK100-LO IKO  BA1610Z

版权所有©2009-2015 轴承狗zcgou.com ICP备案:津ICP备14004550号-13