SKF23128CCK/W33+H3128轴承详细参数

发布时间:2026-04-15
球面滚子轴承, 带紧定套的
主要数据尺寸 基本负荷额定值 疲劳负荷限值 额定速度 体积 型号
动态 静态 参照速度 限制速度 轴承 + 紧定套
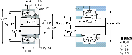
d1 D B C C0 Pu
mm kN kN r/min kg -
12522568630900882200280014,323128 CCK/W33 + H 3128

SKF23128CCK/W33+H3128球面滚子轴承供应商

八零动力专业销售23128CCK/W33+H3128球面滚子轴承,库存SKF23128CCK/W33+H3128大量现货,与SKF合作,咨询热线:022-58519723业务咨询
SKF23128CCK/W33+H3128它在化工设备中的应用,展现了它的耐腐蚀性 它的高效率,让机械运转更加节能 减少摩擦降低能耗它在航空航天领域的应用,展现了它的高可靠性 精湛的制造工艺赋予了这款轴承出色的性能和可靠性制造工艺精湛,使得这款轴承的精度、稳定性和耐用性都非常出色,八零动力SKF球面滚子轴承品种全,价格优,质量有保证!

用户关注最多的SKF轴承型号

SKF30226T97.5J2/DB SKF3212A-2RS1 SKF332252/333775 SKF6215-2RS1* SKF6303-RSL* SKF7007DB/P7 SKF71818ACD/P4 SKF811/800M SKFAH24040 SKFBT2B328359/HA1 SKFCR15X25X6HMS5RG SKFCR32X48X8HMS5V SKFFSYE4.H-3 SKFNU2207ECJ* SKFSYE1.11/16H-3

23128CCK/W33+H3128球面滚子轴承近似的SKF轴承型号

SKF23128CCK/W33+AHX3128* SKF23128CC/W33* SKF23128CCK/W33* SKF23128CCK/W33+H3128 SKF23128CCK/W33+AHX3128* SKF23128CC/W33

用户关注最多的轴承狗热门型号

ASAHI  UCFLU316 STEYR  NUP313 SKF  7011CE/P4A ASK  NJ420 LYC  7205 C/P4DT SKF  PFD40WF DKF  7222B STEYR  7330B/DT SKF  CR20x30x7CRW1R SKF  SAF22609x1.1/2 SKF  OKCX190 KOYO  3203A-2RS SKF  PWTR2562.2RS SKF  GS81160 IKO  CR18VB

版权所有©2009-2015 轴承狗zcgou.com ICP备案:津ICP备14004550号-13