SKF2311K+H2311轴承详细参数

发布时间:2026-04-14
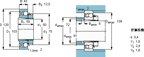
自调心球轴承, 带紧定套, 无密封件
主要数据尺寸 基本负荷额定值 疲劳负荷限值 额定速度 体积 型号
动态 静态 参照速度 限制速度 轴承 + 紧定套
d1 D B C C0 Pu
mm kN kN r/min kg -
501204376,1241,251100075002,402311 K + H 2311

SKF2311K+H2311自调心球轴承供应商

八零动力专业销售2311K+H2311自调心球轴承,库存SKF2311K+H2311大量现货,与SKF合作,咨询热线:022-58519723业务咨询
SKF2311K+H2311稳定持久先进的制造技术,让这款轴承的质量达到了行业领先水平质量上乘的轴承,为设备的高效稳定运行奠定了基础每一次旋转,都是品质的见证,匠心制造优秀的设计理念和精湛的制造工艺,成就了这款优秀的轴承,八零动力SKF自调心球轴承品种全,价格优,质量有保证!

用户关注最多的SKF轴承型号

SKF29476 SKF6003-2RSLTN9/HC5C3WT SKF6007/HR22Q2 SKFBFSB353253E-1 SKFCR15800 SKFCR89947 SKFE2.6004-2Z/C3 SKFKMFE11 SKFLL639249/2/210/4 SKFNJ2306E SKFNJ2314ECML* SKFNNF5013ADA-2LSV SKFSNP3168x12.7/16 SKFSONL236-536 SKFSYE2.7/16H-18

2311K+H2311自调心球轴承近似的SKF轴承型号

SKF2311M SKF2311 SKF2311K SKF2311K+H2311 SKF2311K+H2311 SKF2311M

用户关注最多的轴承狗热门型号

SKF  NU313E 国产  61902NR FLT  NJ420 SKF  292/800 国产  61905NR SKF  CR99244 TIMKEN  661/653 NTN  23164BK+H3164 FAG  B7213-E-2RSD-T-P4S SKF  62202-2RS1 STEYR  NU311E SKF  BT4-8117E1/C475* NSK  6212NR SNR  3211A-RS IKO  KT121513

版权所有©2009-2015 轴承狗zcgou.com ICP备案:津ICP备14004550号-13