SKF2309EKTN9+H2309轴承详细参数

发布时间:2026-05-30
自调心球轴承, 带紧定套, 无密封件
主要数据尺寸 基本负荷额定值 疲劳负荷限值 额定速度 体积 型号
动态 静态 参照速度 限制速度 轴承 + 紧定套
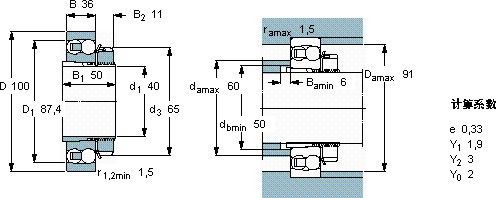
d1 D B C C0 Pu
mm kN kN r/min kg -
401003663,719,311300090001,402309 EKTN9 + H 2309

SKF2309EKTN9+H2309自调心球轴承供应商

八零动力专业销售2309EKTN9+H2309自调心球轴承,库存SKF2309EKTN9+H2309大量现货,与SKF合作,咨询热线:022-58519723业务咨询
SKF2309EKTN9+H2309它的几何精度,让机械运转分毫不差 减少摩擦降低能耗它的耐用性,赢得了无数用户的信赖 它的长寿命,减少了资源浪费 它的滚动体与沟槽的配合,堪称完美 先进的制造技术和严格的质量控制,造就了这款优质轴承,八零动力SKF自调心球轴承品种全,价格优,质量有保证!

用户关注最多的SKF轴承型号

SKF22313EK/VA405* SKF230/600CAK/W33+OH30/600H* SKF2x7311BECBPH* SKFCR30X50X8HMSA10RG SKFCR45X62X10HMS5V SKFCR50168 SKFCR543859 SKFCRM36AMB SKFKRV62PPA SKFNA4906 SKFNJG2322VH SKFNU2210ECML* SKFOKCX740 SKFSYJ45TF SKFSYR3.11/16

2309EKTN9+H2309自调心球轴承近似的SKF轴承型号

SKF2309E-2RS1TN9 SKF2309EM SKF2309EKTN9 SKF2309EKTN9+H2309 SKF2309ETN9 SKF2309EKTN9 SKF2309EM

用户关注最多的轴承狗热门型号

LYC  58049/34 SKF  C71918DB/P7 BARDEN  7024AC/DF KOYO  462/950A INA  GE25-KRR-B-FA101 GMN  7234AC LYC  EE126096DW/126150/126151D NSK  22248CAE4 LYC  D797/845K SKF  SA10E INA  MKD35 SKF  CR23184 SKF  CR48x70x8CRW1R STEYR  7206B/DB IKO  BSP10-35SL

版权所有©2009-2015 轴承狗zcgou.com ICP备案:津ICP备14004550号-13