SKF2309EKTN9轴承详细参数

发布时间:2026-05-29
自调心球轴承, 圆柱孔和圆锥孔, 圆锥型内孔, 无密封件
主要数据尺寸 基本负荷额定值 疲劳负荷限值 额定速度 体积 型号
动态 静态 参照速度 限制速度
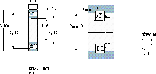
d D B C C0 Pu
mm kN kN r/min kg -
451003663,719,311300090001,152309 EKTN9

SKF2309EKTN9自调心球轴承供应商

八零动力专业销售2309EKTN9自调心球轴承,库存SKF2309EKTN9大量现货,与SKF合作,咨询热线:022-58519723业务咨询
SKF2309EKTN9它在船舶工业中的应用,展现了它的耐腐蚀性 它的精密性,让它在高精度设备中无可替代 这轴承的设计简直精妙绝伦,每一处细节都彰显着极致的工艺美学设计独特的轴承,不仅性能优越,还具有很高的性价比它的尺寸精度,达到了微米级的极致 它的高可靠性,减少了设备停机时间 ,八零动力SKF自调心球轴承品种全,价格优,质量有保证!

用户关注最多的SKF轴承型号

SKF32224J2 SKF360141 SKF4304ATN9 SKF6005-RSH* SKF6032M SKF628-RS1* SKFBT4B328870EX1/C300* SKFCR12432 SKFCR1650259 SKFCR1800249 SKFCR99851 SKFN1015KTN/SP SKFNJ18/1320ECMA SKFSNW124x4.1/4 SKFTU1.FM

2309EKTN9自调心球轴承近似的SKF轴承型号

SKF2309E-2RS1TN9 SKF2309EKTN9 SKF2309EM SKF2309EKTN9+H2309 SKF2309ETN9 SKF2309K+H2309 SKF2309EKTN9+H2309

用户关注最多的轴承狗热门型号

FAG  SNV260-L + 22324-E1-K + H2324 + TCV524 SNR  7213AC LYC  22318 FAG  SNV120-L + 1213-K-TVH-C3 + H213X203 + TSV513X203 NACHI  6226ZZ TIMKEN  455-S/453A STEYR  6308 NACHI  21317EX1K KOYO  6815ZZ SKF  PDNB214 KOYO  6319-RZ 国产  3201ATN1 LYC  23226 K FAG  LOE544-N-AL-L IKO  GBRI102216

版权所有©2009-2015 轴承狗zcgou.com ICP备案:津ICP备14004550号-13