SKF23096CAK/W33+OH3096H*轴承详细参数

发布时间:2026-05-30
球面滚子轴承, 带紧定套的
主要数据尺寸 基本负荷额定值 疲劳负荷限值 额定速度 体积 型号
动态 静态 参照速度 限制速度 轴承 + 紧定套
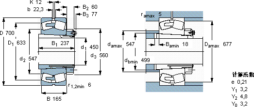
d1 D B C C0 Pu
* - SKF Explorer 轴承
mm kN kN r/min kg -
4507001653900680045053095027523096 CAK/W33 + OH 3096 H *

SKF23096CAK/W33+OH3096H*球面滚子轴承供应商

八零动力专业销售23096CAK/W33+OH3096H*球面滚子轴承,库存SKF23096CAK/W33+OH3096H*大量现货,与SKF合作,咨询热线:022-58519723业务咨询
SKF23096CAK/W33+OH3096H*它在电子设备中的应用,展现了它的高精密性 稳定持久让您的设备高效运行,它的耐高温性能,减少了冷却系统的能耗 它在船舶工业中的应用,展现了它的耐腐蚀性 卓越的性能和可靠的质量,让这款轴承成为市场的宠儿,八零动力SKF球面滚子轴承品种全,价格优,质量有保证!

用户关注最多的SKF轴承型号

SKF21317EK+AHX317* SKF230/500CACK/W33 SKF33213TN9/Q SKF61980MA SKF6301-RSL* SKF7014CD/P4A SKF7204BECBM SKFC30/1250MB* SKFCR100X120X13CRSH1R SKFCR28700 SKFCR55X72X10HMS5V SKFCR56X70X8CRS11R SKFFYR2.7/16H-3 SKFNK25/20 SKFTU2.3/16WF

23096CAK/W33+OH3096H*球面滚子轴承近似的SKF轴承型号

SKF23096CA/W33* SKF23096CAK/W33+AOHX3096G* SKF23096CAK/W33+OH3096H* SKF23096CAK/W33* SKF23096CAK/W33+AOHX3096G* SKF23096CA/W33

用户关注最多的轴承狗热门型号

FAG  HC71920-E-T-P4S TIMKEN  15120/15250 国产  22316 NSK  23964CAMKE4 国产  RST017 SKF  SYH1.1/4TF/AH LYC  NJ 312 M/C4 SKF  FY1.TR INA  PAS07250-P10 STEYR  NJ304 SKF  7218AC/DF SKF  3209ATN9/W64* NACHI  7010C SKF  CR10584 TORRINGTON FAFNIR  3310A

版权所有©2009-2015 轴承狗zcgou.com ICP备案:津ICP备14004550号-13