SKF2307EKTN9轴承详细参数

发布时间:2026-04-14
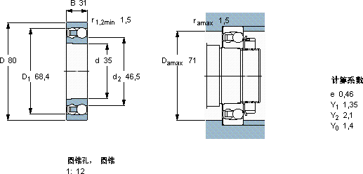
自调心球轴承, 圆柱孔和圆锥孔, 圆锥型内孔, 无密封件
主要数据尺寸 基本负荷额定值 疲劳负荷限值 额定速度 体积 型号
动态 静态 参照速度 限制速度
d D B C C0 Pu
mm kN kN r/min kg -
35803139,711,20,5916000120000,682307 EKTN9

SKF2307EKTN9自调心球轴承供应商

八零动力专业销售2307EKTN9自调心球轴承,库存SKF2307EKTN9大量现货,与SKF合作,咨询热线:022-58519723业务咨询
SKF2307EKTN9它的每一次转动,都是对精准度的极致追求 它的品质卓越,为机械设备的高效、稳定运行保驾护航它的尺寸精度,达到了微米级的极致 高品质的轴承,在复杂工况下也能展现出卓越的性能它的设计巧妙,在保证性能的同时,还兼顾了安装的便捷性它的质量可靠,是众多机械设备制造商的首选配件,八零动力SKF自调心球轴承品种全,价格优,质量有保证!

用户关注最多的SKF轴承型号

SKF23260CACK/W33+H3260 SKF609-RS SKF7216C/DT SKF7311BECCM* SKF7315BEGAM* SKFC2211V* SKFCR1525542 SKFCR165X200X15CRSH11R SKFNU1014ECP SKFNU317ECJ* SKFNUP314ECP SKFPCZ0708M SKFPWKRE90.2RS SKFSC7017DB/P7 SKFW639/1.5-2Z

2307EKTN9自调心球轴承近似的SKF轴承型号

SKF2307KM SKF2307ETN9 SKF2307E-2RS1TN9 SKF2307EKTN9 SKF2307KM+H2307 SKF2307EM SKF2307EKTN9+H2307 SKF2307KM+H2307 SKF2307EKTN9+H2307

用户关注最多的轴承狗热门型号

ZKL  32305 国产  LB30-OPA 国产  22316 GMN  7003AC LYC  NNCF 5060 V/P53DRS0 SKF  31324 NACHI  53336U NSK  N1012RXHZTPKR KOYO  NJ204E+HJ204E SNR  7326B/DB ZKL  31309 LYC  22218 CK/W33+318 TIMKEN  47487/47420 TIMKEN  31593/31520-B LYC  LY-3052

版权所有©2009-2015 轴承狗zcgou.com ICP备案:津ICP备14004550号-13