SKF23034CCK/W33+H3034*轴承详细参数

发布时间:2026-04-29
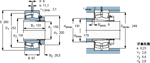
球面滚子轴承, 带紧定套的
主要数据尺寸 基本负荷额定值 疲劳负荷限值 额定速度 体积 型号
动态 静态 参照速度 限制速度 轴承 + 紧定套
d1 D B C C0 Pu
* - SKF Explorer 轴承
mm kN kN r/min kg -
1502606771010601002200280018,323034 CCK/W33 + H 3034 *

SKF23034CCK/W33+H3034*球面滚子轴承供应商

八零动力专业销售23034CCK/W33+H3034*球面滚子轴承,库存SKF23034CCK/W33+H3034*大量现货,与SKF合作,咨询热线:022-58519723业务咨询
SKF23034CCK/W33+H3034*为您的机械注入强大动力,优秀的设计理念和精湛的制造工艺,成就了这款优秀的轴承它的润滑技术,让摩擦降至最低 它的耐高温性能,减少了冷却系统的能耗 性能优越的轴承,极大地提升了设备的工作性能和效率匠心制造,八零动力SKF球面滚子轴承品种全,价格优,质量有保证!

用户关注最多的SKF轴承型号

SKF31328XJ2 SKF51309 SKF7013CD/P4A SKF7236C/DT SKFCR16045 SKFCR19219 SKFCR400950 SKFCR6729 SKFCRMVR1-12 SKFNCF28/950V SKFNJ1938ECML SKFNKI7/12TN SKFNUP311ECP SKFP20TF SKFSY15TF

23034CCK/W33+H3034*球面滚子轴承近似的SKF轴承型号

SKF23034-2CS5K/VT143* SKF23034-2CS5/VT143* SKF23034CCK/W33+H3034* SKF23034CCK/W33* SKF23034CCK/W33+AH3034* SKF23034CC/W33* SKF23034CCK/W33+AH3034* SKF23034CC/W33

用户关注最多的轴承狗热门型号

SKF  P72R-30FM FLT  NU2226E 国产  352132 NTN  51418 SKF  CR40X55X7HMS5V LYC  M 278749DW/M278710/M278710D INA  K16X22X16 LYC  6013 E/C3S0 SKF  SAF22530 NSK  HR332/32J SKF  SNL4092GL LYC  32211 E/P5 NTN  NJ207+HJ207 FAG  SNV340-L + 22332-K-MB + H2332X507 + TCV532X507 NACHI  54244U

版权所有©2009-2015 轴承狗zcgou.com ICP备案:津ICP备14004550号-13