SKF23024CCK/W33+H3024*轴承详细参数

发布时间:2026-04-14
球面滚子轴承, 带紧定套的
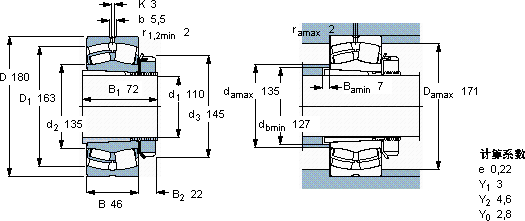
主要数据尺寸 基本负荷额定值 疲劳负荷限值 额定速度 体积 型号
动态 静态 参照速度 限制速度 轴承 + 紧定套
d1 D B C C0 Pu
* - SKF Explorer 轴承
mm kN kN r/min kg -
1101804635551053320040005,9523024 CCK/W33 + H 3024 *

SKF23024CCK/W33+H3024*球面滚子轴承供应商

八零动力专业销售23024CCK/W33+H3024*球面滚子轴承,库存SKF23024CCK/W33+H3024*大量现货,与SKF合作,咨询热线:022-58519723业务咨询
SKF23024CCK/W33+H3024*它在食品机械中的应用,展现了它的卫生性能 它的沟槽设计,完美匹配滚动体的运动轨迹 它的抗疲劳性能,确保了长期使用的可靠性 它的耐腐蚀性,减少了维护成本 它的热处理工艺,增强了它的硬度和韧性 是您机械世界里的不败功臣,,八零动力SKF球面滚子轴承品种全,价格优,质量有保证!

用户关注最多的SKF轴承型号

SKF1212ETN9 SKF23068CC/W33* SKF5205E-2RS1 SKF71915C SKF7226BCBM SKF7238AC SKFBT4B334008G/HA1VA901 SKFCR75X110X12HMSA10V SKFIR85x100x63 SKFNN3040/SPW33 SKFNNU6038M SKFNU218ECM* SKFPCM303430E SKFRNAO40x55x40 SKFS71913DB/P7

23024CCK/W33+H3024*球面滚子轴承近似的SKF轴承型号

SKF23024-2CS2/VT143* SKF23024CCK/W33+AHX3024* SKF23024CCK/W33+H3024* SKF23024CC/W33* SKF23024CCK/W33* SKF23024CCK/W33+AHX3024* SKF23024CC/W33

用户关注最多的轴承狗热门型号

SKF  6203/HR22T2 TIMKEN  365/363D/X1S-366 AET  NU214 NSK  7003CDB MRC  3317 INA  GE320-AW TIMKEN  495A /493-B FLT  NJ312 KOYO  29244 SKF  23132CC/W33 国产  7317C FYH  UB202 LYC  23138 CA/C3W33/S3 Stieber  DC168J-50 Stieber  CSK15P-2RS

版权所有©2009-2015 轴承狗zcgou.com ICP备案:津ICP备14004550号-13