SKF22380CA/W33*轴承详细参数

发布时间:2026-05-30
球面滚子轴承, 圆柱和圆锥孔, 圆柱型内孔, 无密封件
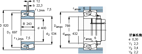
主要数据尺寸 基本负荷额定值 疲劳负荷限值 额定速度 体积 型号
动态 静态 参照速度 限制速度
d D B C C0 Pu * - SKF Explorer 轴承
mm kN kN r/min kg -
40082024375001040067043075065022380 CA/W33 *

SKF22380CA/W33*球面滚子轴承供应商

八零动力专业销售22380CA/W33*球面滚子轴承,库存SKF22380CA/W33*大量现货,与SKF合作,咨询热线:022-58519723业务咨询
SKF22380CA/W33*卓越的性能表现,使这款轴承在市场上拥有良好的口碑它在印刷机械中的应用,展现了它的高精度 制造工艺精湛,使得这款轴承的精度和稳定性都非常出色先进的生产工艺,打造出了这款性能卓越的轴承它机械世界的心脏,默默支撑着无数设备的运转 它的高效率,减少了能源消耗 ,八零动力SKF球面滚子轴承品种全,价格优,质量有保证!

用户关注最多的SKF轴承型号

SKF22205E/W64* SKF22318EK+H2318* SKF24068CAC/W33 SKF2x7309BECBY SKF61996MA SKFCR125x160x12CRW1R SKFCR33X45X7HMS5V SKFCR40X58X8HMS5V SKFCR411500 SKFCR55X70X10HMSA10V SKFNJ230ECML* SKFNJ1938ECML SKFNNU4988/W33 SKFNNUD6056MAS SKFNUP211ECJ*

22380CA/W33*球面滚子轴承近似的SKF轴承型号

SKF22380CAK/W33+AOH3280G* SKF22380CAK/W33* SKF22380CAK/W33+OH3280H* SKF22380CA/W33* SKF22380CA/W33 SKF2301

用户关注最多的轴承狗热门型号

KOYO  68/670 LYC  22213 CK/W33+H313 TIMKEN  72201C/72487 SYEYR  NU2318 FAG  BND3038-H-C-Y-AL-S NTN  62/28-2RZ SKF  NU309ECNP* TIMKEN  483/472X TIMKEN  67388/67322DC/X1S-67388 NSK  RNA4915 FAG  23136-E1A-M NACHI  NJ416 KOYO  51436 NTN  23132B IKO  LWEG30

版权所有©2009-2015 轴承狗zcgou.com ICP备案:津ICP备14004550号-13