SKF22380CAK/W33*轴承详细参数

发布时间:2026-04-15
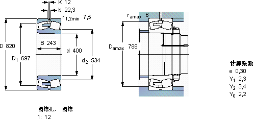
球面滚子轴承, 圆柱和圆锥孔, 圆锥型内孔, 无密封件
主要数据尺寸 基本负荷额定值 疲劳负荷限值 额定速度 体积 型号
动态 静态 参照速度 限制速度
d D B C C0 Pu * - SKF Explorer 轴承
mm kN kN r/min kg -
40082024375001040067043075064022380 CAK/W33 *

SKF22380CAK/W33*球面滚子轴承供应商

八零动力专业销售22380CAK/W33*球面滚子轴承,库存SKF22380CAK/W33*大量现货,与SKF合作,咨询热线:022-58519723业务咨询
SKF22380CAK/W33*它在电子设备中的应用,展现了它的高精密性 设计合理、性能优良的它,是机械设备实现高效运行的重要保障让您的机械如虎添翼,轴承的选材优质,确保了其在各种环境下都能稳定工作它的抗变形能力,让它在高负载下依然保持形状 它的润滑技术,让摩擦降至最低 ,八零动力SKF球面滚子轴承品种全,价格优,质量有保证!

用户关注最多的SKF轴承型号

SKF22218EK* SKF305807C-2Z SKF7317BEGAF SKF89309TN SKFC4022-2CS5V* SKFCR25x40x7CRW1R SKFCR36x60x8CRW1V SKFCR44X65X10HMS5V SKFCR70034 SKFNNU4988K/W33 SKFNU1056MA SKFPFD3/4FM SKFSNL3040/7.3/16TURT SKFSYR2.7/16H-18 SKFUCP209

22380CAK/W33*球面滚子轴承近似的SKF轴承型号

SKF22380CAK/W33* SKF22380CAK/W33+OH3280H* SKF22380CAK/W33+AOH3280G* SKF22380CA/W33* SKF22356CC/W33* SKF23022CCK/W33+AH322*

用户关注最多的轴承狗热门型号

KOYO  463/630A LYC  134.40.2234.03 LYC  6003 E-2RS/C2 FAG  SNV090-L + 22210-E1-K + H310X110 + TCV510X110 SKF  2x7201BECBP SKF  NUP226ECM* NSK  NN3032K GMN  7200AC/DT KOYO  21313CCK+H313 NSK  NUP209EW SKF  CR36X50X7HMSA10RG INA  AS2035 NACHI  HM617049/HM617010 SKF  NK32/30 IKO  GS1528

版权所有©2009-2015 轴承狗zcgou.com ICP备案:津ICP备14004550号-13