SKF22340CCK/W33+H2340*轴承详细参数

发布时间:2026-05-30
球面滚子轴承, 带紧定套的
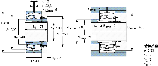
主要数据尺寸 基本负荷额定值 疲劳负荷限值 额定速度 体积 型号
动态 静态 参照速度 限制速度 轴承 + 紧定套
d1 D B C C0 Pu
* - SKF Explorer 轴承
mm kN kN r/min kg -
180420138232029002241200150010722340 CCK/W33 + H 2340 *

SKF22340CCK/W33+H2340*球面滚子轴承供应商

八零动力专业销售22340CCK/W33+H2340*球面滚子轴承,库存SKF22340CCK/W33+H2340*大量现货,与SKF合作,咨询热线:022-58519723业务咨询
SKF22340CCK/W33+H2340*旋转无忧质量无可比拟的轴承,在行业内树立了良好的品质标杆它在印刷机械中的应用,展现了它的高精度 从制造工艺到实际性能,这款轴承都表现得十分出色,精湛的制造工艺赋予了这款轴承卓越的性能和品质 质量无可挑剔的轴承,在行业内树立了良好的口碑和形象,八零动力SKF球面滚子轴承品种全,价格优,质量有保证!

用户关注最多的SKF轴承型号

SKF1380/1328/Q SKF7020AC/DT SKF708ACD/HCP4A SKFBT2-8001/HA3 SKFC71910FB/P7 SKFCR75X90X10HMSA10V SKFCR95x120x12CRW1R SKFFYR2.3/4H-18 SKFH3122 SKFNJ221ECN2ML* SKFNUP208ECML* SKFNUTR4090A SKFPCZ3636M SKFPDNB212 SKFSC71912DB/P7

22340CCK/W33+H2340*球面滚子轴承近似的SKF轴承型号

SKF22340CCK/W33+H2340* SKF22340CCJA/W33VA405* SKF22340CCK/W33* SKF22340CCJA/W33VA406* SKF22340CCKJA/W33VA405* SKF22340CC/W33* SKF22340CCK/W33+AH2340* SKF22340CCK/W33+AH2340* SKF22340CC/W33

用户关注最多的轴承狗热门型号

国产  RNA223425 LYC  604909/YA3 SKF  81268 STEYR  6207-2Z 国产  6005-2Z/Z3 LYC  NJ 2314 EM/P5 NSK  7018CTY SKF  CR45x85x10HMS4R TORRINGTON FAFNIR  6308-ZN TIMKEN  65225/65550-B SNR  627-2Z LYC  350630/C3 SKF  NU1005 KOYO  7218B/DB IKO  KT232913EG

版权所有©2009-2015 轴承狗zcgou.com ICP备案:津ICP备14004550号-13