SKF22313EK+H2313*轴承详细参数

发布时间:2026-04-14
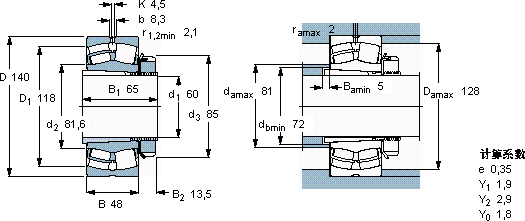
球面滚子轴承, 带紧定套的
主要数据尺寸 基本负荷额定值 疲劳负荷限值 额定速度 体积 型号
动态 静态 参照速度 限制速度 轴承 + 紧定套
d1 D B C C0 Pu
* - SKF Explorer 轴承
mm kN kN r/min kg -
601404834036038380050004,2022313 EK + H 2313 *

SKF22313EK+H2313*球面滚子轴承供应商

八零动力专业销售22313EK+H2313*球面滚子轴承,库存SKF22313EK+H2313*大量现货,与SKF合作,咨询热线:022-58519723业务咨询
SKF22313EK+H2313*它的抗冲击性能,让它经得起各种考验 卓越的性能表现,使这款轴承在市场上拥有良好的口碑它的低噪音设计,减少了对环境的噪音污染 它的密封性能,减少了润滑剂的泄漏 它在风力发电中的应用,为清洁能源贡献力量 高精度的制造工艺,造就了这款高品质的轴承,八零动力SKF球面滚子轴承品种全,价格优,质量有保证!

用户关注最多的SKF轴承型号

SKF23036-2CS5K/VT143* SKF234715B SKF311 SKF32307 SKF6203ETN9 SKF6304N* SKF7214ACD/P4A SKF81234 SKFCR55X90X10HMSA10RG SKFGE40TXE-2LS SKFIR30x35x20 SKFL44649/610/Q SKFNKS60 SKFOKC720 SKFPWM190210250

22313EK+H2313*球面滚子轴承近似的SKF轴承型号

SKF22313E/VA405* SKF22313EK+H2313* SKF22313EK+AH2313G* SKF22313E* SKF22313EK/VA405* SKF22313EK* SKF22313EK+AH2313G* SKF22313EK/VA405*

用户关注最多的轴承狗热门型号

BARDEN  71934C/DT LYC  22317/C3 KOYO  114FC81594A SKF  PWM180200250 SNR  2317K+H2317 SKF  FYTJ45KF TORRINGTON FAFNIR  6003-RS SKF  SA12E FYH  UCFLU309 NACHI  16004 TIMKEN  5307WD 国产  6303-RS/Z2 KOYO  6909ZZ SKF  22252CACK/W33+H3152 IKO  RNA6910UU

版权所有©2009-2015 轴承狗zcgou.com ICP备案:津ICP备14004550号-13