SKF22313E*轴承详细参数

发布时间:2026-05-30
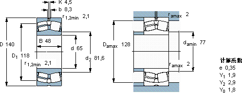
球面滚子轴承, 圆柱和圆锥孔, 圆柱型内孔, 无密封件
主要数据尺寸 基本负荷额定值 疲劳负荷限值 额定速度 体积 型号
动态 静态 参照速度 限制速度
d D B C C0 Pu * - SKF Explorer 轴承
mm kN kN r/min kg -
651404834036038380050003,7522313 E *

SKF22313E*球面滚子轴承供应商

八零动力专业销售22313E*球面滚子轴承,库存SKF22313E*大量现货,与SKF合作,咨询热线:022-58519723业务咨询
SKF22313E*精湛的工艺打造出的轴承,精度和稳定性都令人称赞质量无可比拟的轴承,在行业内树立了良好的品质标杆打造出了性能卓越的这款轴承,该轴承的精度控制达到了极致它在建筑机械中的应用,确保了设备的可靠性 为您创造更多可能,高精度低摩擦,八零动力SKF球面滚子轴承品种全,价格优,质量有保证!

用户关注最多的SKF轴承型号

SKF1726309-2RS1 SKF216NR SKF239/950CA/W33 SKF33207 SKF71820ACD/HCP4 SKF71909ACD/HCP4A SKFBC4B326361B/HA1 SKFCR400655 SKFCR40X50X8HMSA10RG SKFCR55X80X10HMS5RG SKFCR87831 SKFFY1.5/8TF SKFKMFE30 SKFNNC4848CV SKFSAFC2538

22313E*球面滚子轴承近似的SKF轴承型号

SKF22313E/VA405* SKF22313EK* SKF22313EK/VA405* SKF22313EK+AH2313G* SKF22313E* SKF22313EK+H2313* SKF22313CC/W33 SKF22313EK*

用户关注最多的轴承狗热门型号

SKF  7048ACD/P4A LYC  NU 206 M/P67S0 SKF  CR2200558 TIMKEN  17119/17244-B INA  PAP2430-P14 FAG  H211X200 NSK  95BTR10H BARDEN  71913C NTN  7309AC/DT FAG  SNV052-L + 22205-E1-K + H305X012 + DH505X012 MRC  7302C/DB SKF  K35x40x27TN SKF  CR86258 IKO  TA912Z IKO  IRT1012-2

版权所有©2009-2015 轴承狗zcgou.com ICP备案:津ICP备14004550号-13