SKF22308E/VA405*轴承详细参数

发布时间:2026-04-15
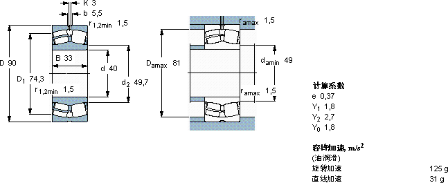
球面滚子轴承, 圆柱和圆锥孔, 圆柱型内孔, 用于振动场合
主要数据尺寸 基本负荷额定值 疲劳负荷限值 额定速度 体积 型号
动态 静态 参照速度 限制速度
d D B C C0 Pu * - SKF Explorer 轴承
mm kN kN r/min kg -
40903315014015600080001,0522308 E/VA405 *

SKF22308E/VA405*球面滚子轴承供应商

八零动力专业销售22308E/VA405*球面滚子轴承,库存SKF22308E/VA405*大量现货,与SKF合作,咨询热线:022-58519723业务咨询
SKF22308E/VA405*它的精密装配,确保了整体性能的卓越 它虽小,却是工业革命的基石 制造工艺精湛,使得这款轴承在运转时更加顺畅平稳它的润滑技术,减少了摩擦和磨损 它在航空航天领域的应用,展现了它的高可靠性 性能优越的轴承,极大地提升了设备的工作性能和效率,八零动力SKF球面滚子轴承品种全,价格优,质量有保证!

用户关注最多的SKF轴承型号

SKF1726308-2RS1 SKF210-2ZNR SKF3314 SKF7311BECBPH* SKFBT2B332831 SKFC3038* SKFCR14821 SKFCR17X40X10HMS5RG SKFCR36157 SKFFYM2.15/16TF SKFGEC320FBAS SKFNU311ECP SKFS7006FB/P7 SKFS7020ACD/P4A SKFSY2.7/16TF/AH

22308E/VA405*球面滚子轴承近似的SKF轴承型号

SKF22308EK+H2308* SKF22308EK+AH2308* SKF22308E/VA405* SKF22308EK* SKF22308E* SKF22308E/VA405 SKF22309CCK/W33

用户关注最多的轴承狗热门型号

SKF  240/600ECAK30/W33+AOH240/600* LYC  6305 E-2RZ/P63Z2 KOYO  7315AC/DB RHP  6316N SKF  NCF3044CV SKF  FYM2.3/16TF NSK  32326 FAG  BND2224-H-C-T-BL-S SKF  2212E-2RS1TN9 SNR  7018AC SKF  NNU4984/W33 TIMKEN  140RF92 NTN  NUP2213E NACHI  NJ234E NTN  RNA69/28

版权所有©2009-2015 轴承狗zcgou.com ICP备案:津ICP备14004550号-13