SKF22238CCK/W33+AH2238G*轴承详细参数

发布时间:2026-04-14
球面滚子轴承, 带退卸套的
主要数据尺寸 基本负荷额定值 疲劳负荷限值 额定速度 体积 型号
动态 静态 参照速度 限制速度 轴承 +退卸套
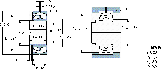
d1 D B C C0 Pu
* - SKF Explorer 轴承
mm kN kN r/min kg -
18034092127017001501700240039,522238 CCK/W33 + AH 2238 G *

SKF22238CCK/W33+AH2238G*球面滚子轴承供应商

八零动力专业销售22238CCK/W33+AH2238G*球面滚子轴承,库存SKF22238CCK/W33+AH2238G*大量现货,与SKF合作,咨询热线:022-58519723业务咨询
SKF22238CCK/W33+AH2238G*这轴承的设计精妙,充分考虑了各种实际应用需求它的抗冲击能力,让它经久不衰 高品质的轴承,在复杂工况下也能展现出卓越的性能它的多样化应用,展现了它的无限可能 该轴承的性能卓越,完全满足了各种严苛工况的需求它的耐高温性能,让它在极端环境下依然稳定运行 ,八零动力SKF球面滚子轴承品种全,价格优,质量有保证!

用户关注最多的SKF轴承型号

SKF22213EK* SKF22326CCK/W33* SKF23034CCK/33+H3034 SKF2x7210BEGAP* SKF6028-2Z SKFBT4B328955BG/HA1VA902* SKFCR9838 SKFGEZ600ES SKFNCF2924CV SKFNJ2319ECML* SKFNNF5019ADB-2LSV SKFNU10/750ECN2MA SKFNU2309E SKFSC71913FB/P7 SKFYAR207-104-2RF/HV

22238CCK/W33+AH2238G*球面滚子轴承近似的SKF轴承型号

SKF22238-2CS5K/VT143* SKF22238CCK/W33* SKF22238CCK/W33+AH2238G* SKF22238-2CS5/VT143* SKF22238CCK/W33+H3138* SKF22238CC/W33* SKF22238CCK/W33* SKF22238CCK/W33+H3138*

用户关注最多的轴承狗热门型号

SKF  CR596098 RHP  NU203 SKF  24026CCK30/W33 FYH  UC309 KOYO  22330RK+H2330 NSK  RNA6918 LYC  6310 E-2RZ/Z1 LYC  23068/C3W33 NTN  7205AC/DB SKF  NJ2328ECMA SKF  N2332 KOYO  N307 LYC  51202 TIMKEN  200RN51 FAG  H31/1120-HG

版权所有©2009-2015 轴承狗zcgou.com ICP备案:津ICP备14004550号-13