SKF22226EK+H3126*轴承详细参数

发布时间:2026-05-30
球面滚子轴承, 带紧定套的
主要数据尺寸 基本负荷额定值 疲劳负荷限值 额定速度 体积 型号
动态 静态 参照速度 限制速度 轴承 + 紧定套
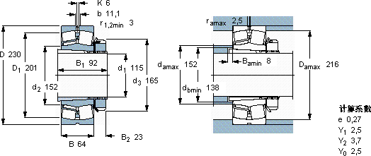
d1 D B C C0 Pu
* - SKF Explorer 轴承
mm kN kN r/min kg -
11523064735930882600360014,022226 EK + H 3126 *

SKF22226EK+H3126*球面滚子轴承供应商

八零动力专业销售22226EK+H3126*球面滚子轴承,库存SKF22226EK+H3126*大量现货,与SKF合作,咨询热线:022-58519723业务咨询
SKF22226EK+H3126*轴承的稳定性和可靠性表现出色,赢得了用户的高度认可它的使用寿命,远超同类产品 它的抗震性能,确保了它在振动环境下的可靠性 它的耐用性,赢得了无数用户的信赖 它在船舶工业中的应用,展现了它的耐腐蚀性 高精度与高可靠性的完美结合,成就了这款杰出的轴承,八零动力SKF球面滚子轴承品种全,价格优,质量有保证!

用户关注最多的SKF轴承型号

SKF230/600CA/W33* SKF23244CCK/W33+AOH2344* SKF351100C SKF7218C/DT SKFCR1325239 SKFCR16891 SKFCR17x30x7CRW1R SKFCR35x54x8CRW1V SKFH2306 SKFKMT32 SKFMBL28 SKFNUP311ECML* SKFPCM151712E SKFSIL8E SKFYAR204-2RF/W64

22226EK+H3126*球面滚子轴承近似的SKF轴承型号

SKF22226EK* SKF22226E* SKF22226EK+AHX3126* SKF22226EK+H3126* SKF22226EK+AHX3126* SKF22228-2CS5K/VT143*

用户关注最多的轴承狗热门型号

NSK  7019A5 STEYR  NUP214E 国产  61917-ZN FAG  SD552-N-FZ-AF-L + 222SM240-MA NACHI  25590/25523 SKF  C7020DB/P7 NSK  NUP424 TIMKEN  25578/25520D+X1S-25578 FAG  BND3122-H-W-T-AF-S INA  RCSMF15 LYC  23156 CA/W33 INA  SL183068-TB NTN  NU2216 INA  RASEY17 NMB  R-830Y52

版权所有©2009-2015 轴承狗zcgou.com ICP备案:津ICP备14004550号-13