SKF22214E/W64*轴承详细参数

发布时间:2026-05-30
球面滚子轴承, 圆柱型内孔,含Solid Oil, 圆柱型内孔
主要数据尺寸 基本负荷额定值 疲劳负荷限值 限制速度 体积 型号
动态 静态
dDBCC0Pu * - SKF Explorer 轴承
mm kN kN r/min kg -
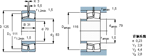
701253120822825,54301,5522214 E/W64 *

SKF22214E/W64*球面滚子轴承供应商

八零动力专业销售22214E/W64*球面滚子轴承,库存SKF22214E/W64*大量现货,与SKF合作,咨询热线:022-58519723业务咨询
SKF22214E/W64*坚固耐用它的多样化应用,展现了它的无限可能 是您设备高效运转的可靠伙伴,它虽小,却是工业革命的基石 轴承的耐用性超乎想象,有效降低了设备的维护成本以卓越品质,八零动力SKF球面滚子轴承品种全,价格优,质量有保证!

用户关注最多的SKF轴承型号

SKF15103S/15243/Q SKF33115 SKFC3176KMB+AOH3176G* SKFCR1200119 SKFCR16X22X3HM4R SKFCR40X58X7HMS5V SKFCR73X110X11.1CRWA1P SKFCR595670 SKFFYT55TF/VA228 SKFGEM40ES-2RS SKFNU2217ECP SKFPCM353930E SKFSC71910FB/P7 SKFSNW134x5.15/16 SKFTU15/16WF

22214E/W64*球面滚子轴承近似的SKF轴承型号

SKF22214E* SKF22214EK* SKF22214EK+AH314G* SKF22214E/W64* SKF22214EK+H314* SKF22214EK+H314* SKF22215CCK/W33

用户关注最多的轴承狗热门型号

BARDEN  7002AC/DT SKF  N215ECP TIMKEN  596-S/592-B 国产  33114 SKF  CR75X110X12HMS5V SKF  231/600CAK/W33+AOH31/600* RIV  NU314 SKF  71912C/DT NTN  7203AC/DB KOYO  45240 FAG  SNV160-L + 1218-K-TVH-C3 + H218X303 + DH518 MRC  NF319 STEYR  53236U IKO  GE50GS-2RS IKO  BG222860

版权所有©2009-2015 轴承狗zcgou.com ICP备案:津ICP备14004550号-13