SKF22214EK+AH314G*轴承详细参数

发布时间:2026-05-30
球面滚子轴承, 带退卸套的
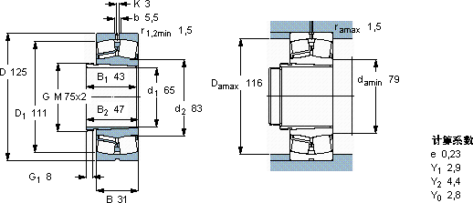
主要数据尺寸 基本负荷额定值 疲劳负荷限值 额定速度 体积 型号
动态 静态 参照速度 限制速度 轴承 +退卸套
d1 D B C C0 Pu
* - SKF Explorer 轴承
mm kN kN r/min kg -
651253120822825,5500067001,8022214 EK + AH 314 G *

SKF22214EK+AH314G*球面滚子轴承供应商

八零动力专业销售22214EK+AH314G*球面滚子轴承,库存SKF22214EK+AH314G*大量现货,与SKF合作,咨询热线:022-58519723业务咨询
SKF22214EK+AH314G*它在船舶工业中的应用,展现了它的耐腐蚀性 为您创造更多可能,这轴承的设计简直精妙绝伦,每一处细节都彰显着极致的工艺美学持久转动为设备的精确运行提供了保障,该轴承的精度控制精准,为设备的精确运行提供了保障您值得拥有,八零动力SKF球面滚子轴承品种全,价格优,质量有保证!

用户关注最多的SKF轴承型号

SKF59196F SKF6311-Z* SKF7012FB/P7 SKF71928C/DT SKFBC2B326137/HB2VJ202 SKFC71916FB/P7 SKFCR86739 SKFCR9878 SKFHA2316x2.3/4 SKFLM283649/610/HA1 SKFM336948/912 SKFPF13/16WF SKFPNA35/55 SKFSAF1609 SKFYAT207-104

22214EK+AH314G*球面滚子轴承近似的SKF轴承型号

SKF22214EK+H314* SKF22214E* SKF22214EK+AH314G* SKF22214EK* SKF22214E/W64* SKF22214EK* SKF22214EK+H314*

用户关注最多的轴承狗热门型号

MAC  NJ2316 STEYR  NU1080 MAC  N308 FAG  HCB7213-E-2RSD-T-P4S LYC  797/2500G2K SKF  BT2B332673/HA4 FLT  NUP216 SKF  BC3B320899 SKF  2311K FAG  SNV120-L + 20311-K-TVP-C3 + H311X200 + DH611 FAG  HSS71902-C-T-P4S TIMKEN  K30X36X14 SNR  7232C/DT SKF  LR15x18x16.5 FAG  SNV062-L + 2206-K-TVH-C3 + H306X100 + FSV506

版权所有©2009-2015 轴承狗zcgou.com ICP备案:津ICP备14004550号-13