SKF215NR轴承详细参数

发布时间:2026-04-14
深沟球轴承, 单列,带装球缺口和止动环槽, 无密封件
主要数据尺寸 基本负荷额定值 疲劳负荷限值 额定速度 体积 型号
动态 静态 参照速度 限制速度 轴承,带止动环 止动环
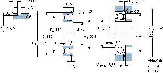
d D B C C0 Pu
mm kN kN r/min kg -
751302572,1723900056001,25215 NRSP 130

SKF215NR深沟球轴承供应商

八零动力专业销售215NR深沟球轴承,库存SKF215NR大量现货,与SKF合作,咨询热线:022-58519723业务咨询
SKF215NR它的长寿命,减少了资源浪费 设计合理、性能优良的它,是机械设备稳定运行的重要保障卓越的性能表现,让这款轴承在市场上脱颖而出轴承的耐用性强,减少了设备的停机维护时间高精度低摩擦优秀的设计理念和精湛的制造工艺,成就了这款杰出的轴承,八零动力SKF深沟球轴承品种全,价格优,质量有保证!

用户关注最多的SKF轴承型号

SKF231/600CA/W33* SKF61864MA SKF7200ACD/P4A SKFCR11392 SKFCR116500 SKFCR99548 SKFFYR3.1/2-3 SKFM336948/912 SKFNU3084ECMA SKFQJ326N2MA SKFS71907CD/P4A SKFS71911FB/P7 SKFSDAF22620x3.3/8 SKFSY1.1/4RM SKFYAR209-111-2FW/VA228

215NR深沟球轴承近似的SKF轴承型号

SKF6215* SKF215NR SKF215 SKF6215-2Z/VA201 SKF215-ZNR SKF6215/VA201 SKF6215NR* SKF6215-2Z* SKF6215-RS SKF6215-RS1* SKF215-ZNR SKF216

用户关注最多的轴承狗热门型号

SKF  CR24X35X7HMS5RG LYC  23060 CA/W33X NSK  51312 SKF  23234CCK/W33+H2334 TIMKEN  320RJ02 FAG  BND3230-H-W-T-AF-S RHP  7214B/DF NSK  NA4926 KOYO  7326C FAG  SNV180-L + 2220-K-M-C3 + H320X310 + TSV520X310 RHP  6204-2Z FAG  SNV250-L + 222S.500 + DH528 IKO  NBXI4032 IKO  CRB25030 Stieber  DC230J-15

版权所有©2009-2015 轴承狗zcgou.com ICP备案:津ICP备14004550号-13