SKF6215-2RS1*轴承详细参数

发布时间:2026-04-14
深沟球轴承, 单列, 两面密封件
主要数据尺寸 基本负荷额定值 疲劳负荷限值 额定速度 体积 型号
动态 静态 参照速度 限制速度
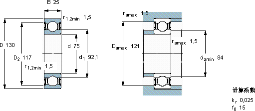
d D B C C0 Pu * - SKF Explorer 轴承
mm kN kN r/min kg -
751302568,9492,04-32001,206215-2RS1 *

SKF6215-2RS1*深沟球轴承供应商

八零动力专业销售6215-2RS1*深沟球轴承,库存SKF6215-2RS1*大量现货,与SKF合作,咨询热线:022-58519723业务咨询
SKF6215-2RS1*它的热处理工艺,增强了它的硬度和韧性 它的可靠性,赢得了无数用户的信赖 卓越的设计和可靠的性能,是这款轴承的两大亮点这轴承的精度控制令人佩服,为设备的精准运行提供了保障它的抗拉强度,让它经得起各种考验 这款轴承的性能卓越,有效提高了设备的运行可靠性,八零动力SKF深沟球轴承品种全,价格优,质量有保证!

用户关注最多的SKF轴承型号

SKF24076CCK30/W33* SKF24128CC/W33 SKF306-Z SKF7240AC/DF SKFAHX3124/110 SKFBT4B331347AG/HA1 SKFCR14260 SKFCR17330 SKFCR200X230X15HMS5V SKFCR90103 SKFFYRP1.7/16H SKFMS31/1000 SKFNNCL4924CV SKFPWKR52.2RS SKFSDAF22624x4.1/8

6215-2RS1*深沟球轴承近似的SKF轴承型号

SKF6215-RS1* SKF6215-2RS1* SKF6215-2Z* SKF6215-Z* SKF6215N* SKF6215-2Z/VA228 SKF6215-RS SKF6215-2Z/VA201 SKF6215-2Z/VA208 SKF6215* SKF6215-2RS SKF6215-2RS1/HC5C3WT

用户关注最多的轴承狗热门型号

NACHI  7208CDB SKF  ZW25x32 LYC  ECOBL016R-23-24 EASE  LB304768AJ TIMKEN  T63 NMB  R-1240 NSK  6307DDU 国产  3201A-ZTN1 NSK  6214 SKF  CR10581 SKF  CR300x332x16HDS2R IKO  GBRI406028 IKO  CFES12R IKO  IRB1820 IKO  CRWM4-480A

版权所有©2009-2015 轴承狗zcgou.com ICP备案:津ICP备14004550号-13