SKF21318EK+H318*轴承详细参数

发布时间:2026-05-30
球面滚子轴承, 带紧定套的
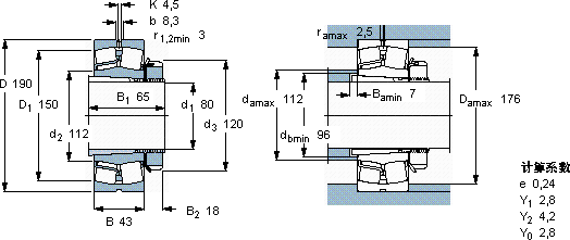
主要数据尺寸 基本负荷额定值 疲劳负荷限值 额定速度 体积 型号
动态 静态 参照速度 限制速度 轴承 + 紧定套
d1 D B C C0 Pu
* - SKF Explorer 轴承
mm kN kN r/min kg -
801904338045046,5360048007,2521318 EK + H 318 *

SKF21318EK+H318*球面滚子轴承供应商

八零动力专业销售21318EK+H318*球面滚子轴承,库存SKF21318EK+H318*大量现货,与SKF合作,咨询热线:022-58519723业务咨询
SKF21318EK+H318*它在船舶工业中的应用,展现了它的耐腐蚀性 顺滑无声先进的制造技术,让这款轴承的质量达到了行业领先水平没有轴承,现代机械将寸步难行,持久转动始终顺滑如初,,八零动力SKF球面滚子轴承品种全,价格优,质量有保证!

用户关注最多的SKF轴承型号

SKF2200E-2RS1TN9 SKF22319EJA/VA405 SKF61928 SKF625* SKFCR38X62X10HMS5V SKFCR401600 SKFCR42x72x8HMS4R SKFCR87981 SKFNNU4064KM/W33 SKFNNU4892/W33 SKFNUP317ECP SKFPFD1.7/16ATF SKFPFD30WF SKFS7019ACD/HCP4A SKFSAA45ES-2RS

21318EK+H318*球面滚子轴承近似的SKF轴承型号

SKF21318E* SKF21318EK+AHX318* SKF21318EK* SKF21318EK+H318* SKF21318EK+AHX318* SKF21319CC

用户关注最多的轴承狗热门型号

STEYR  7203B/DT LYC  1797/1916G2 ZKL  7202B/DF 国产  FC3248168 FAG  LOE530-N-BL-L LYC  QJ 215 N2Q1/P63S0 SKF  GEP750FS SKF  QJ332N2MA LYC  33111 SKF  NN3012TN/SP TORRINGTON&FAFNIR  7013AC SKF  7306BECBP LYC  NJ 308 L INA  SL04260-PP KOYO  NJ240E+HJ240E

版权所有©2009-2015 轴承狗zcgou.com ICP备案:津ICP备14004550号-13