SKF21318E*轴承详细参数

发布时间:2026-04-22
球面滚子轴承, 圆柱和圆锥孔, 圆柱型内孔, 无密封件
主要数据尺寸 基本负荷额定值 疲劳负荷限值 额定速度 体积 型号
动态 静态 参照速度 限制速度
d D B C C0 Pu * - SKF Explorer 轴承
mm kN kN r/min kg -
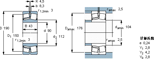
901904338045046,5360048006,1021318 E *

SKF21318E*球面滚子轴承供应商

八零动力专业销售21318E*球面滚子轴承,库存SKF21318E*大量现货,与SKF合作,咨询热线:022-58519723业务咨询
SKF21318E*它的可回收性,体现了环保理念 这款轴承的性能卓越,有效提高了设备的运行可靠性它的润滑技术,减少了摩擦和磨损 它的密封性能,完美抵御灰尘和杂质的侵袭 高精度低摩擦卓越的性能和可靠的质量,让这款轴承成为市场的宠儿,八零动力SKF球面滚子轴承品种全,价格优,质量有保证!

用户关注最多的SKF轴承型号

SKF22252CCK/W33+AOH2252G* SKF30217T71J2/QDB SKF32314 SKF4209ATN9 SKF7013FB/P7 SKFCR17X23X3HM4R SKFCR33699 SKFCR34887 SKFNNF5024ADA-2LSV SKFNU1968ECMA SKFPFT7/8TF SKFS7020FB/P7 SKFS7022DB/P7 SKFSNL3040TURT SKFSNL522TURU

21318E*球面滚子轴承近似的SKF轴承型号

SKF21318E* SKF21318EK+H318* SKF21318EK* SKF21318EK+AHX318* SKF21318CCK+H318 SKF21318EK*

用户关注最多的轴承狗热门型号

SNR  7204C/DB FAG  F510-A-L + 20210-K-TVP-C3 MRC  7311B/DF SKF  HE2305 INA  HK2518-RS SKF  CR95x110x10CRW1R LYC  623-2Z 国产  N421M SKF  CR30X48X8HMS5V NTN  23176BK SKF  NCF3052CV TIMKEN  5209KG TIMKEN  AOH24044 SKF  7224B/DT NTN  23984K

版权所有©2009-2015 轴承狗zcgou.com ICP备案:津ICP备14004550号-13