SKF21314E/W64*轴承详细参数

发布时间:2026-04-14
球面滚子轴承, 圆柱型内孔,含Solid Oil, 圆柱型内孔
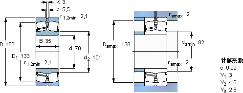
主要数据尺寸 基本负荷额定值 疲劳负荷限值 限制速度 体积 型号
动态 静态
dDBCC0Pu * - SKF Explorer 轴承
mm kN kN r/min kg -
701503528532534,53803,1021314 E/W64 *

SKF21314E/W64*球面滚子轴承供应商

八零动力专业销售21314E/W64*球面滚子轴承,库存SKF21314E/W64*大量现货,与SKF合作,咨询热线:022-58519723业务咨询
SKF21314E/W64*它的精准度,让机械运转分毫不差 它的几何精度,让机械运转分毫不差 这款轴承的运转十分平稳,几乎感受不到任何震动性能优越的轴承,极大地提升了设备的工作性能和效率给您意想不到的顺畅体验,它的模块化设计,让安装和更换变得轻松便捷 ,八零动力SKF球面滚子轴承品种全,价格优,质量有保证!

用户关注最多的SKF轴承型号

SKF51117 SKF7220BEP SKFBTW60CTN9/SP SKFCR42X72X10HMSA10RG SKFFYNT90L SKFFYR1.11/16H-18 SKFGEZ100TXE-2LS SKFIR120x135x45 SKFN209E SKFNUP2228ECML* SKFPDNB222 SKFQJ1021N2MA SKFSDAF22236 SKFT7FC095/CL7CVQ051 SKFZ010F

21314E/W64*球面滚子轴承近似的SKF轴承型号

SKF21314EK+H314* SKF21314EK* SKF21314E* SKF21314EK+AH314G* SKF21314E/W64* SKF21314EK+H314* SKF21315CC

用户关注最多的轴承狗热门型号

SKF  4306ATN9 SKF  PCZ3240M NTN  30224 INA  IR110X120X30 SKF  6214-2RS LYC  N 6/840 SKF  CR135x160x13CRS1R NSK  6832VV SKF  CR51x92x11.13CRWH1R MRC  6001-Z TIMKEN  659/654DC+X1S-659 ZKL  30213 LYC  6218 E/YBS1/C3 BARDEN  71914C GMN  7222C/DT

版权所有©2009-2015 轴承狗zcgou.com ICP备案:津ICP备14004550号-13