SKF21314EK+AH314G*轴承详细参数

发布时间:2026-04-14
球面滚子轴承, 带退卸套的
主要数据尺寸 基本负荷额定值 疲劳负荷限值 额定速度 体积 型号
动态 静态 参照速度 限制速度 轴承 +退卸套
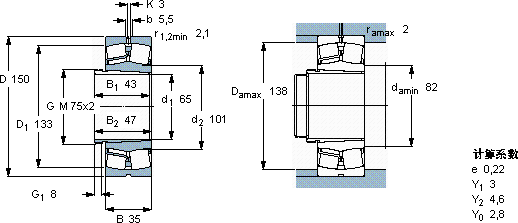
d1 D B C C0 Pu
* - SKF Explorer 轴承
mm kN kN r/min kg -
651503528532534,5400056003,3521314 EK + AH 314 G *

SKF21314EK+AH314G*球面滚子轴承供应商

八零动力专业销售21314EK+AH314G*球面滚子轴承,库存SKF21314EK+AH314G*大量现货,与SKF合作,咨询热线:022-58519723业务咨询
SKF21314EK+AH314G*质量无可挑剔的轴承,在行业内树立了良好的口碑和形象精准承载它的轴向跳动控制,确保了机械的平稳运行 优秀的轴承,就像精密仪器的心脏,确保着整个系统的高效运转它的抗拉强度,让它经得起各种考验 这款轴承的稳定性极佳,在长时间运行中也能保持良好状态,八零动力SKF球面滚子轴承品种全,价格优,质量有保证!

用户关注最多的SKF轴承型号

SKF22240CCK/W33* SKF61968MA SKF6408 SKF7220C/DF SKF7224AC SKFCR115x160x12CRW1R SKFCR30X52X8HMS5V SKFCR523587 SKFFT7/8FM SKFJL69345F/310/Q SKFNCF28/850V SKFNNC4876CV SKFS7008CD/HCP4A SKFSNL3096GF SKFYAR203-008-2F/AH

21314EK+AH314G*球面滚子轴承近似的SKF轴承型号

SKF21314E* SKF21314EK+H314* SKF21314E/W64* SKF21314EK* SKF21314EK+AH314G* SKF21314EK* SKF21314EK+H314*

用户关注最多的轴承狗热门型号

SKF  7015AC/DF SNR  6018N TIMKEN  26112/26283-B KOYO  23224RHK+AHX3224 SKF  NJ2330ECMA LYC  FD-9787/2135K1 国产  NK85/25 INA  VSA250955-N SNR  7313AC/DB NTN  23988K KOYO  7210AC/DF SKF  CR17X35X7HMS5RG LYC  352968 X2/P5 DKF  7021AC/DF TIMKEN  71450/71751DC+X3S-71450

版权所有©2009-2015 轴承狗zcgou.com ICP备案:津ICP备14004550号-13