SKF21313EK+AH313G*轴承详细参数

发布时间:2026-05-29
球面滚子轴承, 带退卸套的
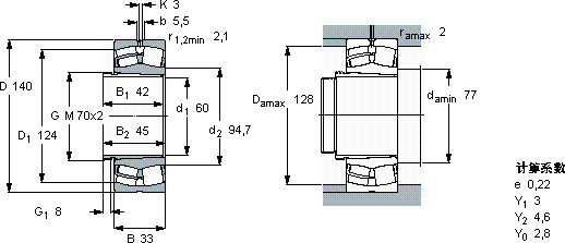
主要数据尺寸 基本负荷额定值 疲劳负荷限值 额定速度 体积 型号
动态 静态 参照速度 限制速度 轴承 +退卸套
d1 D B C C0 Pu
* - SKF Explorer 轴承
mm kN kN r/min kg -
601403323627029430060002,7521313 EK + AH 313 G *

SKF21313EK+AH313G*球面滚子轴承供应商

八零动力专业销售21313EK+AH313G*球面滚子轴承,库存SKF21313EK+AH313G*大量现货,与SKF合作,咨询热线:022-58519723业务咨询
SKF21313EK+AH313G*它的可回收性,体现了环保理念 先进的制造技术和严格的质量控制,造就了这款优质轴承它的抗拉强度,让它经得起各种考验 要设备更出色是您成功路上的得力助手,制造工艺精湛,使得这款轴承的精度、稳定性和耐用性都非常出色,八零动力SKF球面滚子轴承品种全,价格优,质量有保证!

用户关注最多的SKF轴承型号

SKF218-2Z SKF23080CACK/W33+H3080 SKF6218-2Z/VA228 SKF7224B/DF SKFBC4-8053/HA4 SKFBTM90A/HCP4CDBB SKFC3092KM* SKFCR22325 SKFCR24X40X7HMS5V SKFCR250X280X15HMS5V SKFCR68x90x8CRW1V SKFFSYE2.15/16 SKFIR12x15x22.5 SKFS71917CD/P4A SKFW628/4-2Z

21313EK+AH313G*球面滚子轴承近似的SKF轴承型号

SKF21313EK+AH313G* SKF21313EK+H313* SKF21313E* SKF21313EK* SKF21313EK* SKF21313EK+H313*

用户关注最多的轴承狗热门型号

国产  380692/C9 TORRINGTON&FAFNIR  6308-RS NSK  NJ219EM NTN  UCK208 NACHI  21313AX FAG  S3092-H-N-FZ-BF-L + 230SM430-MA LYC  7020 ACTA/P4TBTB LYC  240/850 /W33X SKF  CR16247 GMN  7012C/DF NSK  UCF206-101D1 FAG  SNV080-L + 2208-K-TVH-C3 + H308X105 + DHV508X105 INA  IR17X20X16,5 MRC  6001-RS IKO  LBD20UUOP

版权所有©2009-2015 轴承狗zcgou.com ICP备案:津ICP备14004550号-13