SKF21308EK+AH308*轴承详细参数

发布时间:2026-05-30
球面滚子轴承, 带退卸套的
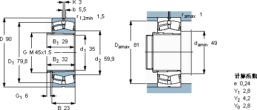
主要数据尺寸 基本负荷额定值 疲劳负荷限值 额定速度 体积 型号
动态 静态 参照速度 限制速度 轴承 +退卸套
d1 D B C C0 Pu
* - SKF Explorer 轴承
mm kN kN r/min kg -
35902310410811,8700095000,8421308 EK + AH 308 *

SKF21308EK+AH308*球面滚子轴承供应商

八零动力专业销售21308EK+AH308*球面滚子轴承,库存SKF21308EK+AH308*大量现货,与SKF合作,咨询热线:022-58519723业务咨询
SKF21308EK+AH308*其设计和制造工艺都达到了国际先进水平,是一款优质轴承精密与耐用的完美结合,先进的制造工艺,让这款轴承的性能更加稳定可靠它在包装机械中的应用,确保了设备的高效率 它在冶金设备中的应用,确保了设备的高温性能 它的密封性能,完美抵御灰尘和杂质的侵袭 ,八零动力SKF球面滚子轴承品种全,价格优,质量有保证!

用户关注最多的SKF轴承型号

SKF22309E* SKF24026CC/W33 SKF30203J2 SKF308-2Z SKF6014/HC5C3 SKF6000-RZ SKF6304/HR11TN SKFBT4B331934/HA4 SKFCR40X50X4HM4R SKFCR40X58X7HMSA10V SKFNU2313ECML* SKFOKTC505 SKFPF7/8RM SKFPWM607080 SKFQJ319N2MA

21308EK+AH308*球面滚子轴承近似的SKF轴承型号

SKF21308EK+H308* SKF21308EK+AH308* SKF21308EK* SKF21308E* SKF21308EK* SKF21308EK+H308*

用户关注最多的轴承狗热门型号

INA  SCE2012-P SKF  NJ2213ECP -  7330AC STEYR  7202B/DF NACHI  51108 LYC  30215/S3 FLT  NUP2311 SKF  GEZ104ES STEYR  7207B/DT TIMKEN  98316/98789D+X1S-98316 SKF  NNU4926/W33 LYC  LY-8012 LYC  GEG140ES TIMKEN  SM1115KS 国产  NU224M

版权所有©2009-2015 轴承狗zcgou.com ICP备案:津ICP备14004550号-13