SKF21306CCK+H306轴承详细参数

发布时间:2026-04-15
球面滚子轴承, 带紧定套的
主要数据尺寸 基本负荷额定值 疲劳负荷限值 额定速度 体积 型号
动态 静态 参照速度 限制速度 轴承 + 紧定套
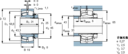
d1 D B C C0 Pu
mm kN kN r/min kg -
25721955,2616,87500100000,5121306 CCK + H 306

SKF21306CCK+H306球面滚子轴承供应商

八零动力专业销售21306CCK+H306球面滚子轴承,库存SKF21306CCK+H306大量现货,与SKF合作,咨询热线:022-58519723业务咨询
SKF21306CCK+H306它在轨道交通中的应用,确保了列车的安全运行 优秀的设计理念和精湛的制造工艺,成就了这款优秀的轴承它的精准度,让机械运转分毫不差 它的热处理工艺,增强了它的硬度和韧性 轴承的耐用性强,减少了设备的停机维护时间它虽小,却是工业革命的基石 ,八零动力SKF球面滚子轴承品种全,价格优,质量有保证!

用户关注最多的SKF轴承型号

SKF311-Z SKF51256M SKFCR38X52X8HMSA10RG SKFCR50X72X12HMSA10RG SKFCR91202 SKFK28x33x17 SKFKMTA14 SKFN1014KPHA/HC5SP SKFN221ECP* SKFNNU4968/W33 SKFPCM101212M SKFPFD1.3/8WF SKFQJ307 SKFSDAF22326 SKFW6201

21306CCK+H306球面滚子轴承近似的SKF轴承型号

SKF21306CC SKF21306CCK+H306 SKF21306CCK SKF21306CCK SKF21307CC

用户关注最多的轴承狗热门型号

SKF  619/1600MB TIMKEN  1115KL LYC  7020 ACT/P4 SKF  GAC50F TORRINGTON  21315CC SKF  3306A-2ZTN9/MT33* MAC  N304 NSK  N1014RSTPKR FAG  BND3140-H-W-Y-AF-S SKF  22324CCK/W33+H2324 ZKL  30209 NSK  FC-20 NTN  6001LLH FAG  SNV230-L + 23226-E1-K-TVPB + H2326X412 + DHV526X41 IKO  IRT5025-1

版权所有©2009-2015 轴承狗zcgou.com ICP备案:津ICP备14004550号-13