SKF16060MA轴承详细参数

发布时间:2026-05-31
深沟球轴承, 单列, 无密封件
主要数据尺寸 基本负荷额定值 疲劳负荷限值 额定速度 体积 型号
动态 静态 参照速度 限制速度
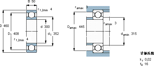
d D B C C0 Pu
mm kN kN r/min kg -
300460502864058,82800240032,016060 MA

SKF16060MA深沟球轴承供应商

八零动力专业销售16060MA深沟球轴承,库存SKF16060MA大量现货,与SKF合作,咨询热线:022-58519723业务咨询
SKF16060MA坚固的结构稳定的性能轴承的耐用性出色,能够长时间保持良好的工作状态承载无限可能,优秀的轴承,就像精密仪器的心脏,确保着整个系统的高效运转这轴承的制造工艺精湛,展现出了极高的工业水准这轴承的设计简直精妙绝伦,每一处细节都彰显着极致的工艺美学,八零动力SKF深沟球轴承品种全,价格优,质量有保证!

用户关注最多的SKF轴承型号

SKF23272CACK/W33 SKF331590 SKF51212 SKF61909-2RS1 SKF7013ACD/P4A SKF7224BM SKF7303B SKFC2244K* SKFCR25076 SKFFYT1.7/16WF SKFNJ2308ECML* SKFN1021KTN9/SP SKFNATV12 SKFNJ202ECP SKFNNU6922M

16060MA深沟球轴承近似的SKF轴承型号

SKF16060 SKF16060MA SKF16060MA SKF16060MA SKF16064

用户关注最多的轴承狗热门型号

MRC  7013C/DB SKF  71918CE/HCP4A SKF  CR75X95X10HMSA10RG INA  PCJT50-N-FA125 INA  PCJT12 FAG  BND3256-H-C-T-BL-S KOYO  NU2217 FAG  SNV130-L + 22215-E1-K + H315 + TCV515 LYC  792/2800G 国产  52309 INA  NK100/26 LYC  32208/YA6 SKF  SY1.11/16TF SKF  NNCF4956CV NTN  22309CCK/W33+H2309

版权所有©2009-2015 轴承狗zcgou.com ICP备案:津ICP备14004550号-13