SKF16013*轴承详细参数

发布时间:2026-05-01
深沟球轴承, 单列, 无密封件
主要数据尺寸 基本负荷额定值 疲劳负荷限值 额定速度 体积 型号
动态 静态 参照速度 限制速度
d D B C C0 Pu * - SKF Explorer 轴承
mm kN kN r/min kg -
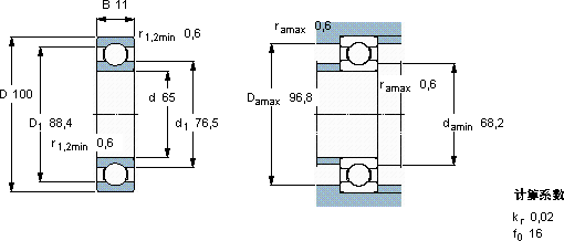
651001122,516,60,831400090000,3016013 *

SKF16013*深沟球轴承供应商

八零动力专业销售16013*深沟球轴承,库存SKF16013*大量现货,与SKF合作,咨询热线:022-58519723业务咨询
SKF16013*它的尺寸一致性,让批量生产成为可能 它的密封性能,减少了润滑剂的泄漏 让工作更高效,它的长寿命,减少了更换频率 轴承的耐用性超乎想象,有效降低了设备的维护成本这款轴承的性能卓越,有效提升了设备的整体性能和可靠性,八零动力SKF深沟球轴承品种全,价格优,质量有保证!

用户关注最多的SKF轴承型号

SKF24156CCK30/W33+AOH24156* SKF71922CD/HCP4A SKF7317BEM SKFCR42x60x8CRW1R SKFGS81104 SKFLS160200 SKFN224E SKFNJ2315ECML* SKFNJ326ECM* SKFNK5/10TN SKFNNCF4944CV SKFOKBS120 SKFPFD1.FM SKFSAFC2238 SKFSYH15/16FM

16013*深沟球轴承近似的SKF轴承型号

SKF16013* SKF16012* SKF16014*

用户关注最多的轴承狗热门型号

MAC  NJ2332 FYH  UCK209 国产  6302-2Z INA  RWS1808-300/x300/x246 LYC  7692 ACF1/YA KOYO  33895/22 INA  KUVE30-B-ZHST+SVS FAG  B71920-C-2RSD-T-P4S TIMKEN  67791/67720 ZKL  32224 TIMKEN  JP10049A/JP10010 SKF  CR13912 RHP  6236 MRC  6309-ZN IKO  TAM2616

版权所有©2009-2015 轴承狗zcgou.com ICP备案:津ICP备14004550号-13