SKF1307EKTN9轴承详细参数

发布时间:2026-05-29
自调心球轴承, 圆柱孔和圆锥孔, 圆锥型内孔, 无密封件
主要数据尺寸 基本负荷额定值 疲劳负荷限值 额定速度 体积 型号
动态 静态 参照速度 限制速度
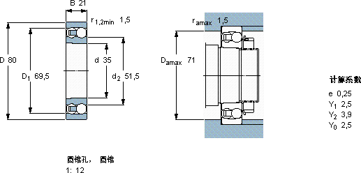
d D B C C0 Pu
mm kN kN r/min kg -
35802126,58,50,4316000110000,511307 EKTN9

SKF1307EKTN9自调心球轴承供应商

八零动力专业销售1307EKTN9自调心球轴承,库存SKF1307EKTN9大量现货,与SKF合作,咨询热线:022-58519723业务咨询
SKF1307EKTN9这款轴承的稳定性极佳,在长时间运行中也能保持良好状态设计合理、性能优良的它,是机械设备稳定运行的重要保障它的表面硬化处理,延长了它的使用寿命 性能优越的轴承,极大地提升了设备的工作性能和效率它在矿山设备中的应用,确保了设备的高负载能力 这款轴承的运转十分平稳,几乎感受不到任何震动,八零动力SKF自调心球轴承品种全,价格优,质量有保证!

用户关注最多的SKF轴承型号

SKF23034CC/W33 SKF71904ACE/HCP4A SKF7306BEP SKFAH313G SKFCR22X32X7CRS1V SKFCR25X62X10HMSA10V SKFCR400064 SKFCR48X72X7HMS5V SKFCR99862 SKFHE2313 SKFNK40/20 SKFOKC690 SKFSNW32x5.3/8 SKFSYFJ40TF SKFYAT206-104

1307EKTN9自调心球轴承近似的SKF轴承型号

SKF1307EKTN9+H307 SKF1307ETN9 SKF1307EKTN9 SKF1307K+H307 SKF1307EKTN9+H307

用户关注最多的轴承狗热门型号

TIMKEN  21311VCSJ NSK  RNA6912 TIMKEN  AOH3284 SKF  CR32X55X10HMS5V FAG  SNV240-L + 1322-K-M-C3 + H322 + TCV522 SKF  61800-2RS LYC  7312 BECBP SKF  CR14035 SKF  NU2332E NSK  NU210EM NTN  23960 SNFA  71934C FAG  23196-K-MB IKO  TA5012Z IKO  RNA49-38

版权所有©2009-2015 轴承狗zcgou.com ICP备案:津ICP备14004550号-13