SKF1305EKTN9+H305轴承详细参数

发布时间:2026-05-30
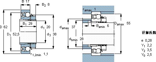
自调心球轴承, 带紧定套, 无密封件
主要数据尺寸 基本负荷额定值 疲劳负荷限值 额定速度 体积 型号
动态 静态 参照速度 限制速度 轴承 + 紧定套
d1 D B C C0 Pu
mm kN kN r/min kg -
206217195,40,2822000150000,331305 EKTN9 + H 305

SKF1305EKTN9+H305自调心球轴承供应商

八零动力专业销售1305EKTN9+H305自调心球轴承,库存SKF1305EKTN9+H305大量现货,与SKF合作,咨询热线:022-58519723业务咨询
SKF1305EKTN9+H305质量无可比拟的轴承,在行业内树立了良好的品质标杆以卓越品质承载重载历经岁月它的热处理工艺,增强了它的硬度和韧性 它的质量过硬,为机械设备的高效、安全运行提供了保障它在机器人领域的应用,展现了它的高精密性 ,八零动力SKF自调心球轴承品种全,价格优,质量有保证!

用户关注最多的SKF轴承型号

SKF22348CCKJA/W33VA405* SKF24136CCK30/W33* SKF2x7210BECBM* SKF6005-RSH* SKF5203ATN9 SKF6010-2RZ* SKF61819-2RS1 SKF7304BECBP SKFAH315G SKFCR14804 SKFCR25x40x7CRW1V SKFCR68730 SKFNJ2210E+HJ2210E SKFOKCX880 SKFSYR2.7/16H

1305EKTN9+H305自调心球轴承近似的SKF轴承型号

SKF1305ETN9 SKF1305EKTN9 SKF1305EKTN9+H305 SKF1305EKTN9 SKF1305ETN9

用户关注最多的轴承狗热门型号

TIMKEN  67390/67322 SKF  NK38/20 SKF  24136-2CS5/VT143* KOYO  6212-RS LYC  23024 N NTN  NUP2319E ZKL  NJ2244 NACHI  7324BDF SNR  6313-RS NTN  NU2220E STEYR  54204U 国产  NU232M+HJ232 INA  NK73/25 INA  PAPZ1606-P14 SKF  SYR2.7/16-3

版权所有©2009-2015 轴承狗zcgou.com ICP备案:津ICP备14004550号-13