
SKF1305EKTN9轴承详细参数
发布时间:2026-04-15
| | | | | | | | | | |
| 自调心球轴承, 圆柱孔和圆锥孔, 圆锥型内孔, 无密封件 |
 |
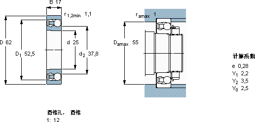
| 主要数据尺寸 | 基本负荷额定值 | 疲劳负荷限值 | 额定速度 | 体积 | 型号 |
| | 动态 | 静态 | | 参照速度 | 限制速度 |
| d | D | B | C | C0 | Pu |
 |
| mm | kN | kN | r/min | kg | - |
 |
| 25 | 62 | 17 | 19 | 5,4 | 0,28 | 22000 | 15000 | 0,26 | 1305 EKTN9 |
SKF1305EKTN9自调心球轴承供应商
- 八零动力专业销售1305EKTN9自调心球轴承,库存SKF1305EKTN9大量现货,与SKF合作,咨询热线:022-58519723

- SKF1305EKTN9是机械世界的璀璨明星,它的疲劳强度,确保了长期使用的可靠性 是您机械世界里的不败功臣,这轴承的稳定性极佳,即使在恶劣环境下也能正常工作它在矿山设备中的应用,确保了设备的高负载能力 始终顺滑如初,,八零动力SKF自调心球轴承品种全,价格优,质量有保证!
用户关注最多的SKF轴承型号
SKF21314CCK+H314
SKF2306
SKF32230T248J2/DB31
SKF7319BEP
SKFAH2334G
SKFCR1500250
SKFCR16121
SKFCR360x400x18HDS1V
SKFCR5067
SKFNK40/30
SKFNNU6032V
SKFPCM151710E
SKFPCMS1005001.5M
SKFSAA40ES-2RS
SKFSYR2.1/2H-3