SKF1212EKTN9+H212轴承详细参数

发布时间:2026-05-30
自调心球轴承, 带紧定套, 无密封件
主要数据尺寸 基本负荷额定值 疲劳负荷限值 额定速度 体积 型号
动态 静态 参照速度 限制速度 轴承 + 紧定套
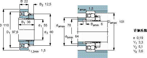
d1 D B C C0 Pu
mm kN kN r/min kg -
551102231,212,20,621200085001,201212 EKTN9 + H 212

SKF1212EKTN9+H212自调心球轴承供应商

八零动力专业销售1212EKTN9+H212自调心球轴承,库存SKF1212EKTN9+H212大量现货,与SKF合作,咨询热线:022-58519723业务咨询
SKF1212EKTN9+H212转动精彩高品质的轴承,在各种复杂环境下都能稳定发挥作用它的滚动体分布均匀,运转平稳无振动 制造工艺精湛,使得这款轴承的精度、稳定性和耐用性都非常出色这轴承的质量过硬,经得起时间和高强度工作的考验制造工艺精湛,使得这款轴承的精度和稳定性都非常出色,八零动力SKF自调心球轴承品种全,价格优,质量有保证!

用户关注最多的SKF轴承型号

SKF22238CC/W33 SKF313555B/VJ202 SKF7312BECBP SKFBT4B328551/HA1 SKFBTM90B/HCP4CDBA SKFC5918V* SKFCR12544 SKFCR19643 SKFCR595012 SKFK265x280x50 SKFNJ2230ECM* SKFPCMF252816.5B SKFSCF80ES SKFSYH3/4FM SKFYAR210-2FW/VA201

1212EKTN9+H212自调心球轴承近似的SKF轴承型号

SKF1212EKTN9+H212 SKF1212ETN9 SKF1212EKTN9 SKF1212ETN9/W64 SKF11212TN9 SKF1212EKTN9 SKF1212ETN9

用户关注最多的轴承狗热门型号

GMN  7007C/DF LYC  UCFC 214 TORRINGTON&FAFNIR  6036 NTN  6010-RS SKF  7205BEGAP* AET  NU2240 STEYR  30212 BARDEN  7221AC FAG  BND3144-Z-T-AL-S MRC  6210-RS TIMKEN  88931/88126 SKF  GEZ400ES-2RS LYC  NH 318 Q1/P6SO INA  ZKLN4075-2RS-2AP FAG  BND3256-H-C-Y-BL-S

版权所有©2009-2015 轴承狗zcgou.com ICP备案:津ICP备14004550号-13